EasyManua.ls Logo

Alpine TUE-DAB1U - Collegamenti del Sistema

Alpine TUE-DAB1U
74 pages
Print Icon
To Next Page IconTo Next Page
To Next Page IconTo Next Page
To Previous Page IconTo Previous Page
To Previous Page IconTo Previous Page
Loading...
50-IT
Utilizzo di uno schermo Alpine con comandi a soramento:
Nota: per i dettagli relativi all'abilitazione dei comandi a soramento, fare riferimento alla sezione “Impostazione
del modo AUX” nel manuale della propria autoradio Alpine. La modalità deve essere impostata su “USB Video”.
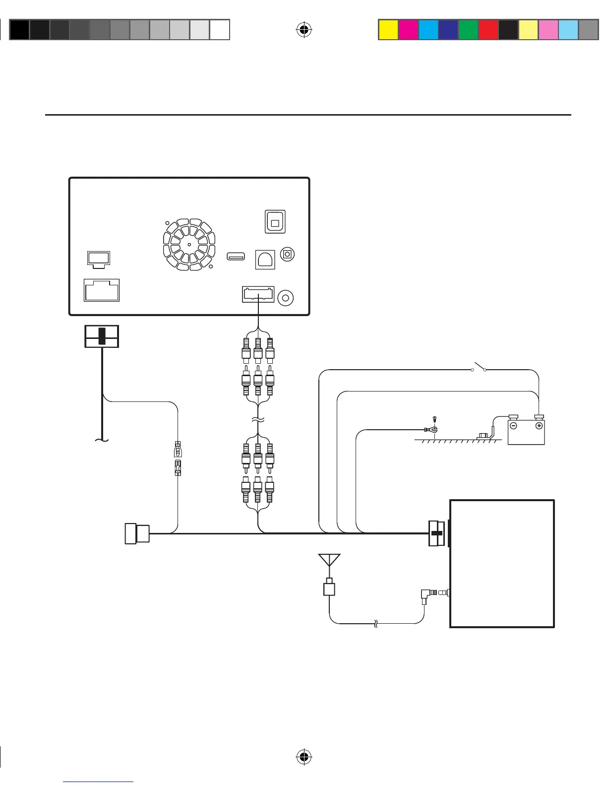
Collegamenti del sistema
Porta
alimentazione/AV/IR
Antenna
LED alimentazione USB Reset
a
TUE-DAB1U
MASSA
+12 V
ACC
Batteria
CHIAVE DI ACCENSIONE
CONNETTORE HU
AUTORADIO ALPINE
INGRESSO AUX
IR (TOUCH)
USCITA TELECOMANDO
(venduta separatamente)
PROLUNGA AV
ANTENNA DAB
OCCHIO INFRAROSSI
USCITA AUX
LP13-0113_Alpine_TUE-DAB1U_ML.indb 50 7/12/2013 6:59:51 PM

Table of Contents