EasyManua.ls Logo

Alpine TUE-DAB1U - Systemtilkoblinger

Alpine TUE-DAB1U
74 pages
Print Icon
To Previous Page IconTo Previous Page
To Previous Page IconTo Previous Page
Loading...
74-NO
Bruke en Alpine-skjerm med direkteberøring:
Merk: Se ”Stille inn AUX-modusen”-avsnittet i bruksanvisningen til din Alpine-hodeenhet for detaljer om hvordan
du aktiverer berøringskontrollene. Modusen burde være satt til ”USB-video”.
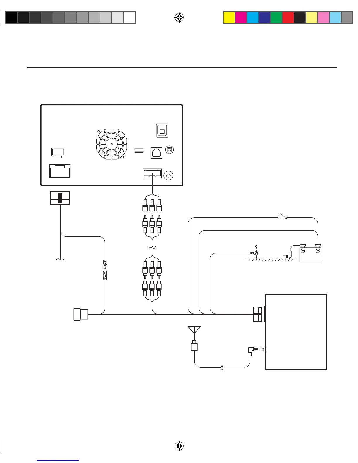
Systemtilkoblinger
Strøm/AV/IR-port
Antenne
LED-strømlampe USB Nullstill
a
TUE-DAB1U
GND
+12 V
ACC
Batteri
TENNINGSNØKKEL
HU-KONTAKT
ALPINE-HODEENHET
AUX-INNGANG
IR (BERØRING)
FJERNKONTROLL UT
(selges separat)
AV-FORLENGELSE
DAB-ANTENNE
IR-ØYE
AUX-UTGANG
LP13-0113_Alpine_TUE-DAB1U_ML.indb 74 7/12/2013 6:59:54 PM

Table of Contents