EasyManua.ls Logo

Altec DRM 12 - 3 SPOOL MANUAL MAIN CONTROL VALVE ASSEMBLY

Default Icon
143 pages
Print Icon
To Next Page IconTo Next Page
To Next Page IconTo Next Page
To Previous Page IconTo Previous Page
To Previous Page IconTo Previous Page
Loading...
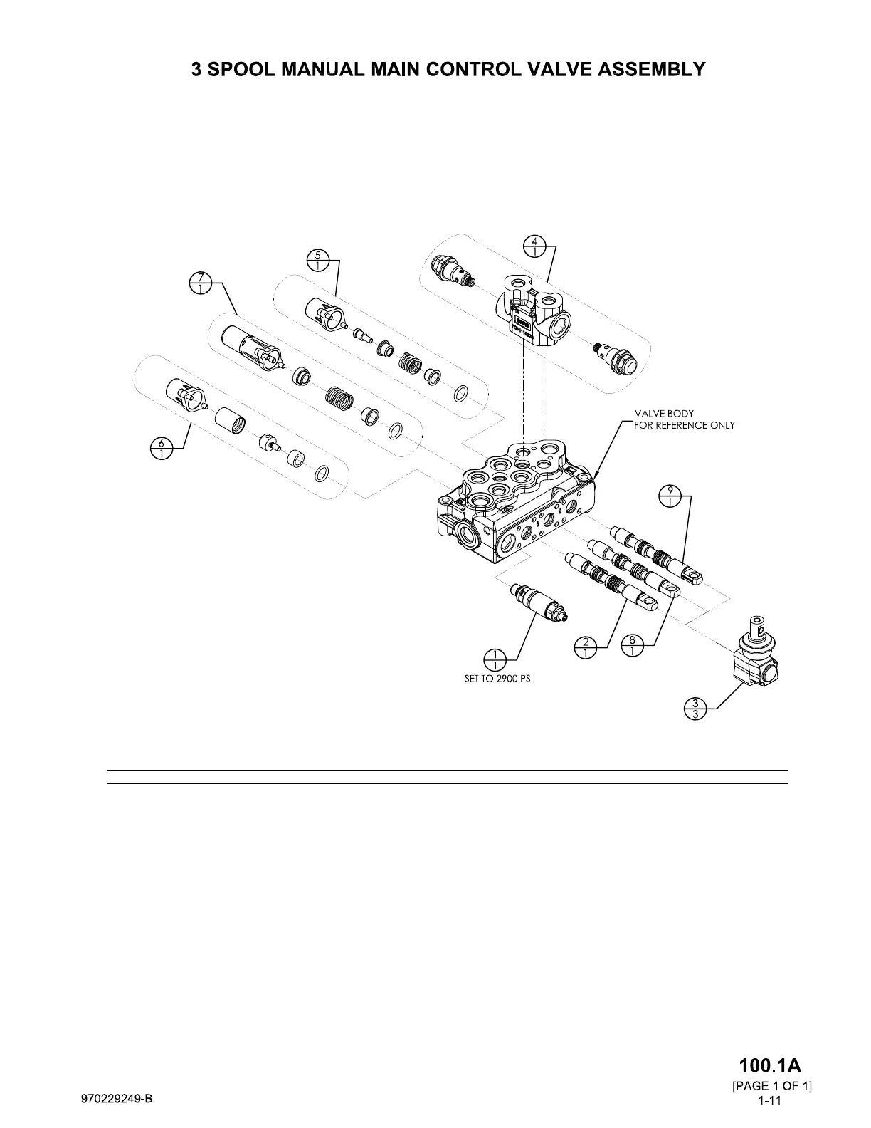
ITEM NO. QTY PA RT NUMBE
R
DESCRIPTIO
N
970151945
HYDRAULIC VALVE, MANUAL, 3 SPOOLS, 3000 PSI, SERIES VALVE, RELIEF ON THIRD
1 1 970024635
RELIEF VALVE,MANUAL VALVE DETENTED,W/RELIEF,TOOL VALVE,1 SPOOL,3600 PSI,45
2 1 035209305
HYDRAULIC VALVE COMPONENT;SPOOL
3
3
9
7
0028823
HYDRAULIC VALVE,KIT CONTROL LEVER BOX,MANUAL,1 SPOOL
4 1 970215234
HYDRAULIC VALVE,RELIEF,DUAL CROSSOVER,WALVOIL
5 1 970078486
KIT, SPRING CENTERING KIT,
970254407
END CAP ONLY FOR SPRING CENTERING AND TWO POSITION KITS
6
1
9
7
01
75
043
HYDRAULIC VALVE COMPONENT,TWO POSITION DETENT KI
T
970254407
END CAP ONLY FOR SPRING CENTERING AND TWO POSITION KITS
7 1 970229323
HYDRAULIC VALVE COMPONENT,HEAVY DETENT KI
T
9
7
028869
7
END CA P ONLY FOR HEAVY DETENT KI
T
035209475
O RING FOR ALL SPRING AND DETENT KITS
8 1 035209385
2/SD5 SPOOL
9 1 970229331
HYDRAULIC VALVE COMPONENT,LOW FLOW,SPOOL
9
7
02
55
11
7
SCREW

Table of Contents