EasyManua.ls Logo

Altivar Process ATV680 - Process System SF - Case 1

Default Icon
39 pages
Print Icon
To Next Page IconTo Next Page
To Next Page IconTo Next Page
To Previous Page IconTo Previous Page
To Previous Page IconTo Previous Page
Loading...
28 EAV64334 06/2017
Process System SF - Case 1
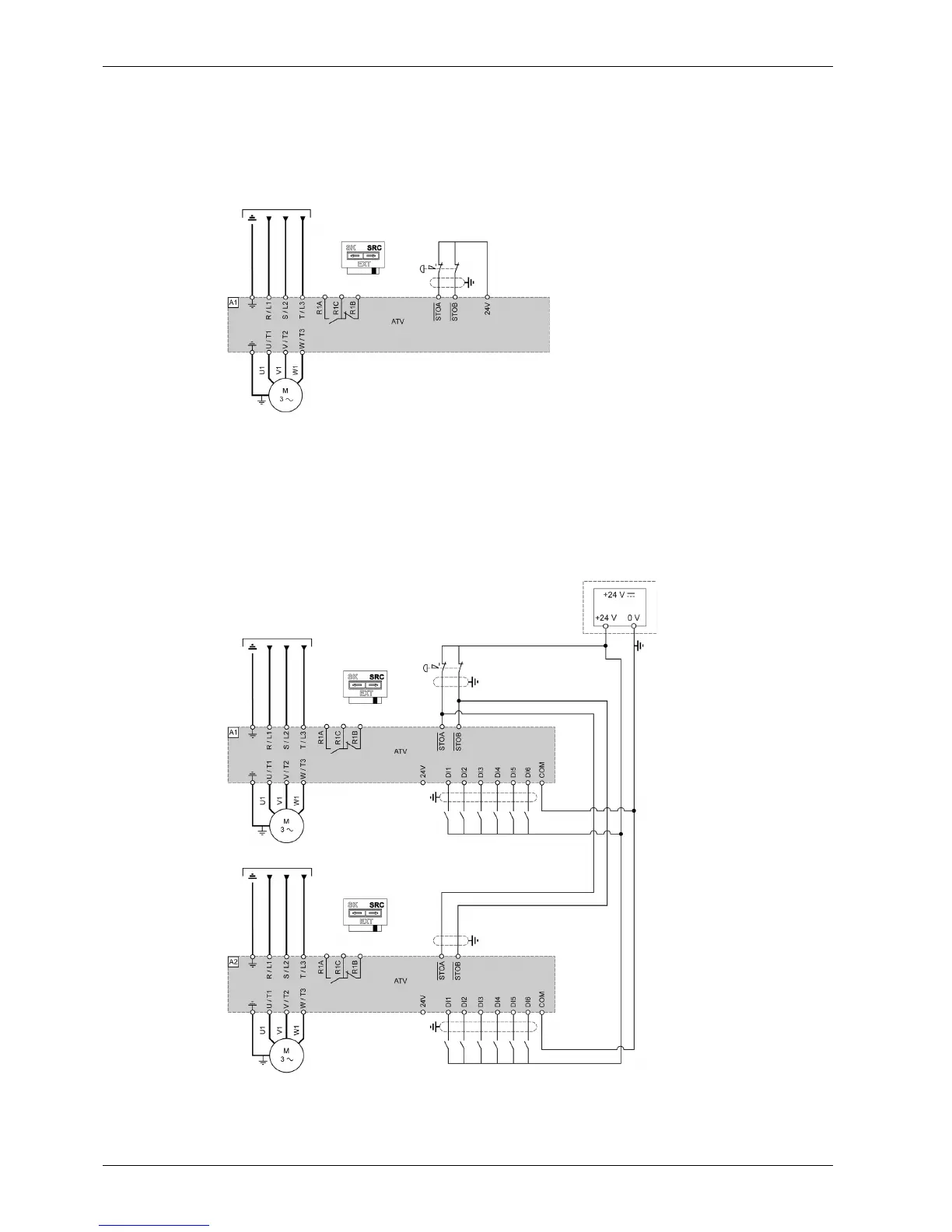
Single Drive Connection Diagram
This connection diagram applies for a single drive configuration according to IEC 61508 capability SIL3,
IEC 60204-1 stop category 0 without protection against subsequent rotation after supply interruption or
voltage reduction.
Multidrive Connection Diagram
This connection diagram applies for multidrive configuration according to IEC 61508 capability SIL3, IEC
60204-1 stop category 0 without protection against supply interruption or voltage reduction and
subsequent rotation.
NOTE: The +24VDC power supply must meet the requirements of IEC 61131-2 (PELV standard power
supply unit).

Related product manuals