EasyManua.ls Logo

AMD XILINX VPK180 - Page 36

AMD XILINX VPK180
78 pages
Print Icon
To Next Page IconTo Next Page
To Next Page IconTo Next Page
To Previous Page IconTo Previous Page
To Previous Page IconTo Previous Page
Loading...
Table 8: NVT4857UK U104 Adapter Pinout (cont'd)
Aries Adapter Pin Number NVT4857UKAZ Pin Number NVT4857UKAZ Pin Name
12 Unused Unused
13 D1 DATA0
14 E3 SEL
15 B1 DAT3A
16 E1 DAT1A
17 Unused Unused
18 A1 DAT2A
19 E4 DAT1B
20 D4 DAT0B
21 D3 CLKB
22 C4 CMDB
23 B4 DAT3B
24 A4 DAT2B
25 Unused Unused
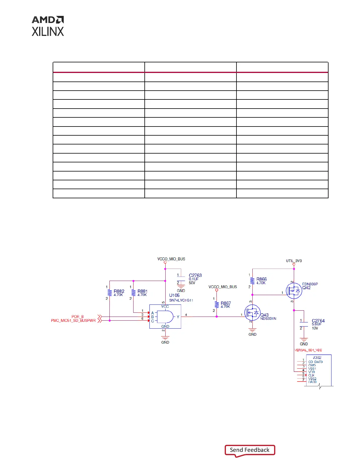
The ACAP (U1) also has control over the power for the SDCARD, which allows the ACAP to
remove power to the SD card as needed.
Figure 11: SD Socket J302 Power Control
X26018-111821
Chapter 3: Board Component Descriptions
UG1582 (v1.0) February 21, 2023 www.xilinx.com
VPK180 Board User Guide 36
Send Feedback

Related product manuals