EasyManua.ls Logo

Ameri-Shred Series 1 - Electrical Diagrams - 1.5 Hp Models

Ameri-Shred Series 1
34 pages
Print Icon
To Next Page IconTo Next Page
To Next Page IconTo Next Page
To Previous Page IconTo Previous Page
To Previous Page IconTo Previous Page
Loading...
24
Service Department: 888.270.6879
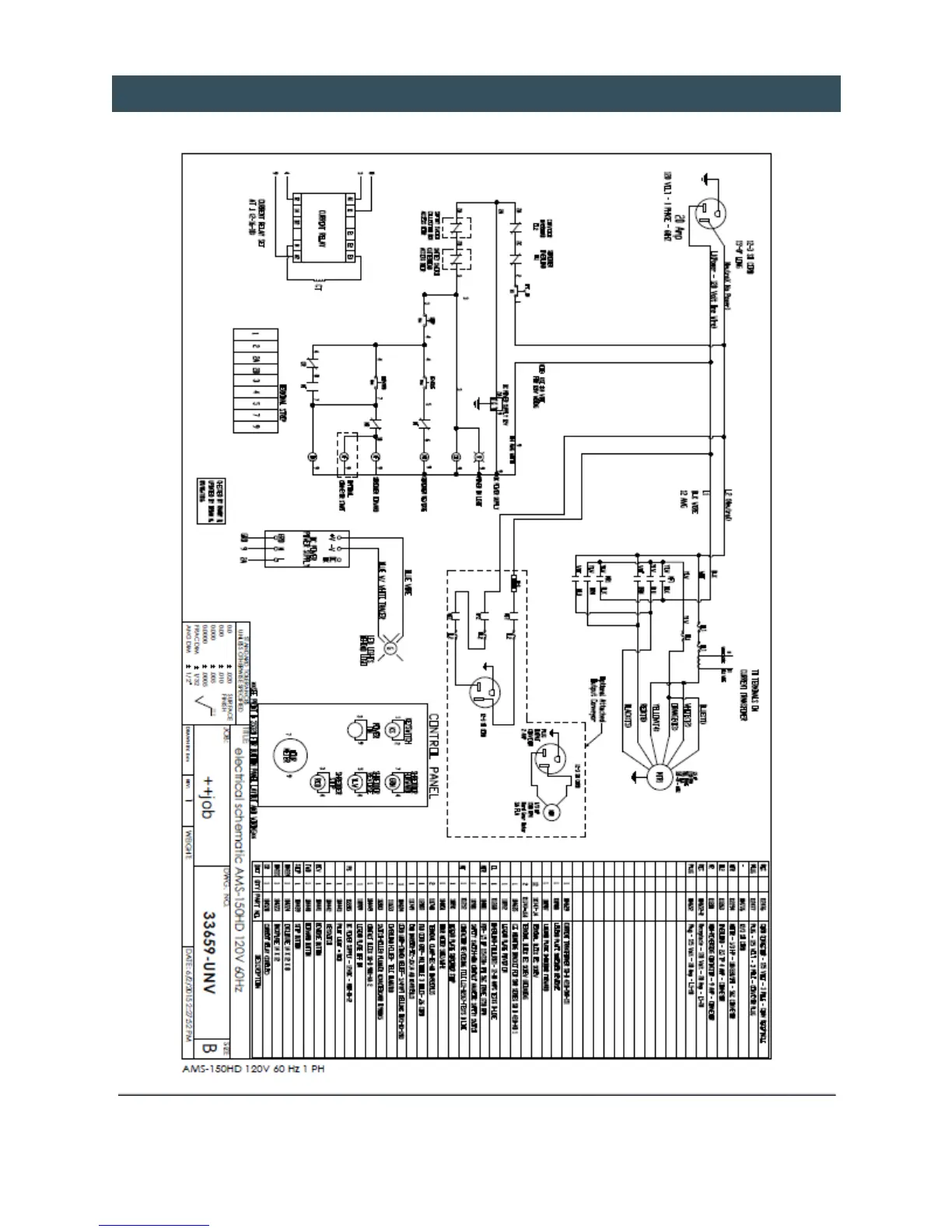
ELECTRICAL DIAGRAM - 1.5 HP MODELS, 120V - 1 PHASE