EasyManua.ls Logo

Ameri-Shred Series 1 - Page 28

Ameri-Shred Series 1
34 pages
Print Icon
To Next Page IconTo Next Page
To Next Page IconTo Next Page
To Previous Page IconTo Previous Page
To Previous Page IconTo Previous Page
Loading...
28
Service Department: 888.270.6879
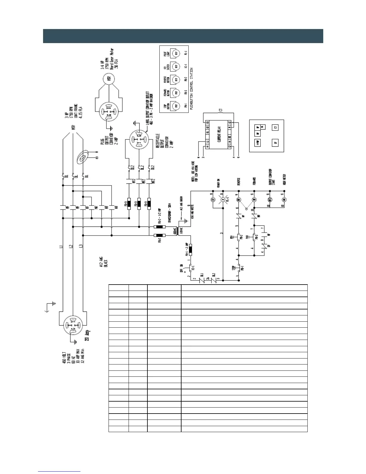
ITEM QTY PART # DESCRIPTION
1 112054 CORD CONNECTOR - 460V/3PH
FU-3 3 111200 FUSE 2 AMP TIME DELAY
DL2 1 111403 OVERLOAD - CONVEYOR - .40-.63 AMP
MF2 1 111281 MOTOR STARTER - CONVEYOR - 9 AMP
1 104778 SO CORD
1 104768 #12 AWG WIRE - BLACK
1 104657 RECEPTACLE - 460V/3PH
1 104656 PLUG - 460V/3PH
1 104223 BACKPLATE
1 104224 ENCLOSURE 12” X 14” X 8”
MTR 1 104025 MOTOR - 3 HP, 230/460V
CT 1 104629 CURRENT TRANSFORMER
FU-2 2 111218 FUSE - 1/2 AMP
FU-1 1 111136 FUSE - 2 AMP
CR 1 104528 CURRENT RELAY
OL-1 1 111264 OVERLOAD - 4-6 AMPS
TRANS 1 104623 TRANSFORMER
MFR 1 111251 MOTOR STARTER - 18 AMP
PB-3 1 104440 FORWARD BUTTON
PB-2 1 104441 REVERSE BUTTON
PB-1 1 104449 STOP BUTTON
PL-1 1 104443 PILOT LIGHT
KS-1 1 104442 KEYSWITCH
ELECTRICAL DIAGRAM - 1.5 HP MODELS, 460V - 3 PHASE