EasyManua.ls Logo

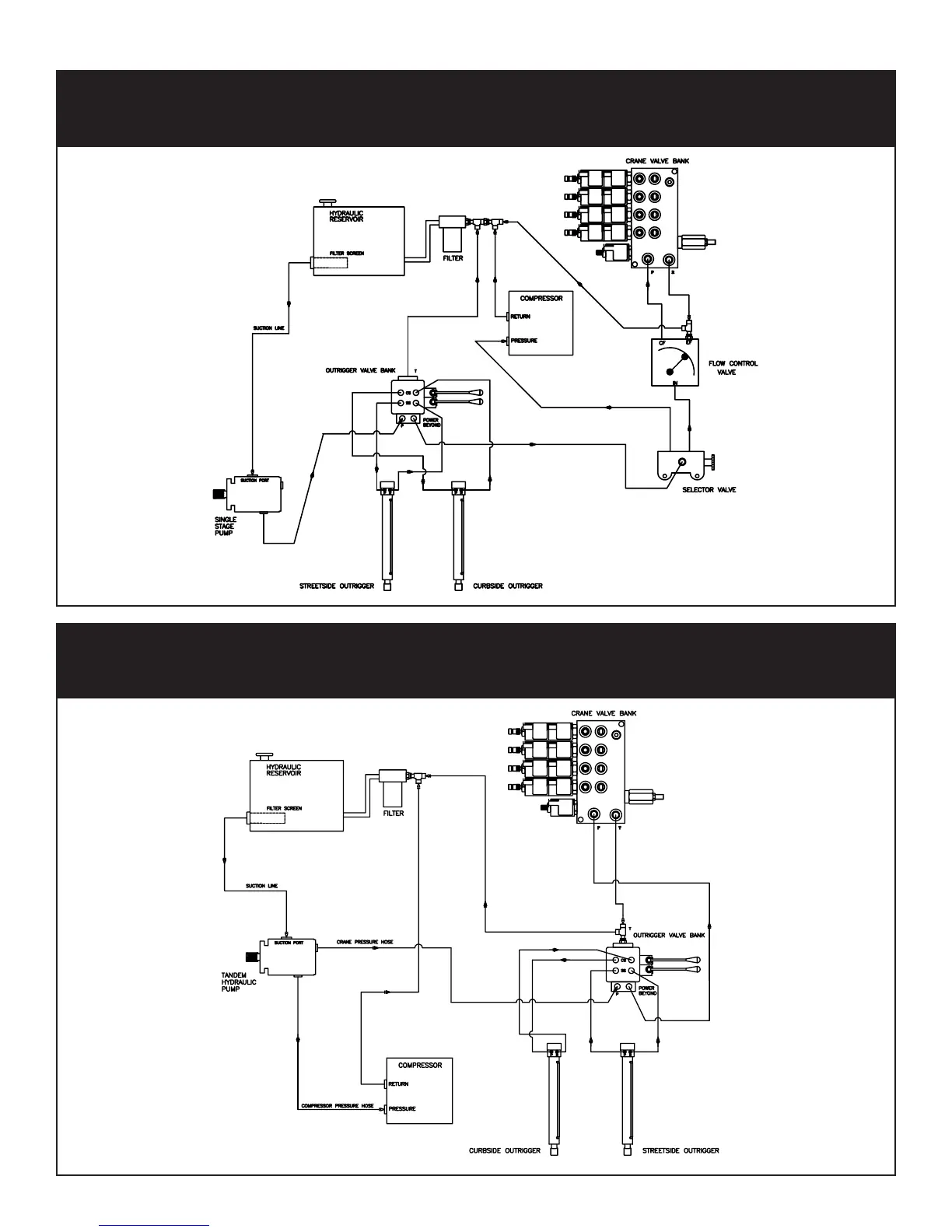
American Eagle 200 - Single Stage Pump Hydraulic Circuit; Tandem Pump Hydraulic Circuit

Default Icon
30 pages
Print Icon
To Next Page IconTo Next Page
To Next Page IconTo Next Page
To Previous Page IconTo Previous Page
To Previous Page IconTo Previous Page
Loading...
Hydraulics/Electrical 19
PN 30533
PN 30532
Typical Hydraulic Circuit for Single Stage Pump with
Multiple Components
Typical Hydraulic Circuit for Tandum (Two Part) Pump with
Multiple Components

Related product manuals