EasyManua.ls Logo

American Eagle SHD-60 - SUH-60 Compressor Assembly

American Eagle SHD-60
30 pages
Print Icon
To Next Page IconTo Next Page
To Next Page IconTo Next Page
To Previous Page IconTo Previous Page
To Previous Page IconTo Previous Page
Loading...
16 Class 4 Compressor Owner’s Manual
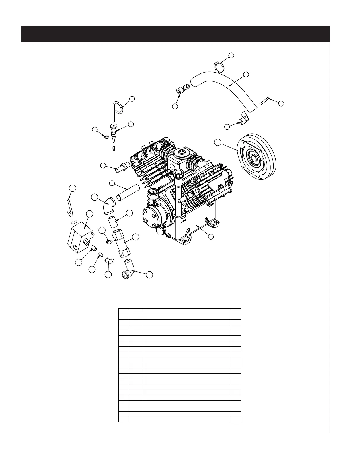
%'97:</==9<==/7,6C
.YTQNOITPIRCSEDTRAPMETI
1PN6IWC084V RSRPC8684C1
222686HANDLE DIPSTICK OIL CHECK V480 1
1)063V/032V( KCITSPID938223
1211-GNIR'O1400C4
5C2279 FTG HOSE BARB 0.50 HOSE X 0.50 MNPT 2
6C6235 FTG BRASS ELL 90 DEG A/C 2
100.21X36.0 ESOH691527
2SS 8# PMALC ESOH5664C8
1403 SS 00.4X57.0 ELPPIN878329
1SSARB WOBLE 57.0 GTF6621D01
11 D1264 FTG 0.75-CLOSE RED BRASS NIPPLE 1
12 5480 VALVE CHECK 0.75 STANDARD 1
13 D1267 FTG .75X90 DEG ST EL BRASS 44164 1
14 C4692 FTG 0.75 JIC-ML NPT 12CTX 90 DEG EL 1
15 C0863 SWITCH PRES COMPRESSOR 1
16 C5559 FTG ADAPT 1/8ML-1/4FM NPT 1404-2-4 1
1ELPPIN XEH 52.0 GTF6755C71
1SEE PAGE 15 FOR CLUTCH OPTIONS81
19 D0240 FTG ELL 0.13 CPRSN TUBE TO NPT 1
20 25448 TUBE COPPER 0.25X9.00 SUH-60 1
18
8
6
7
8
6
2
3
4
20
10
9
5
11
12
13
14
16
17
15
19
1
COMPRESSOR ASSEMBLY

Related product manuals