EasyManua.ls Logo

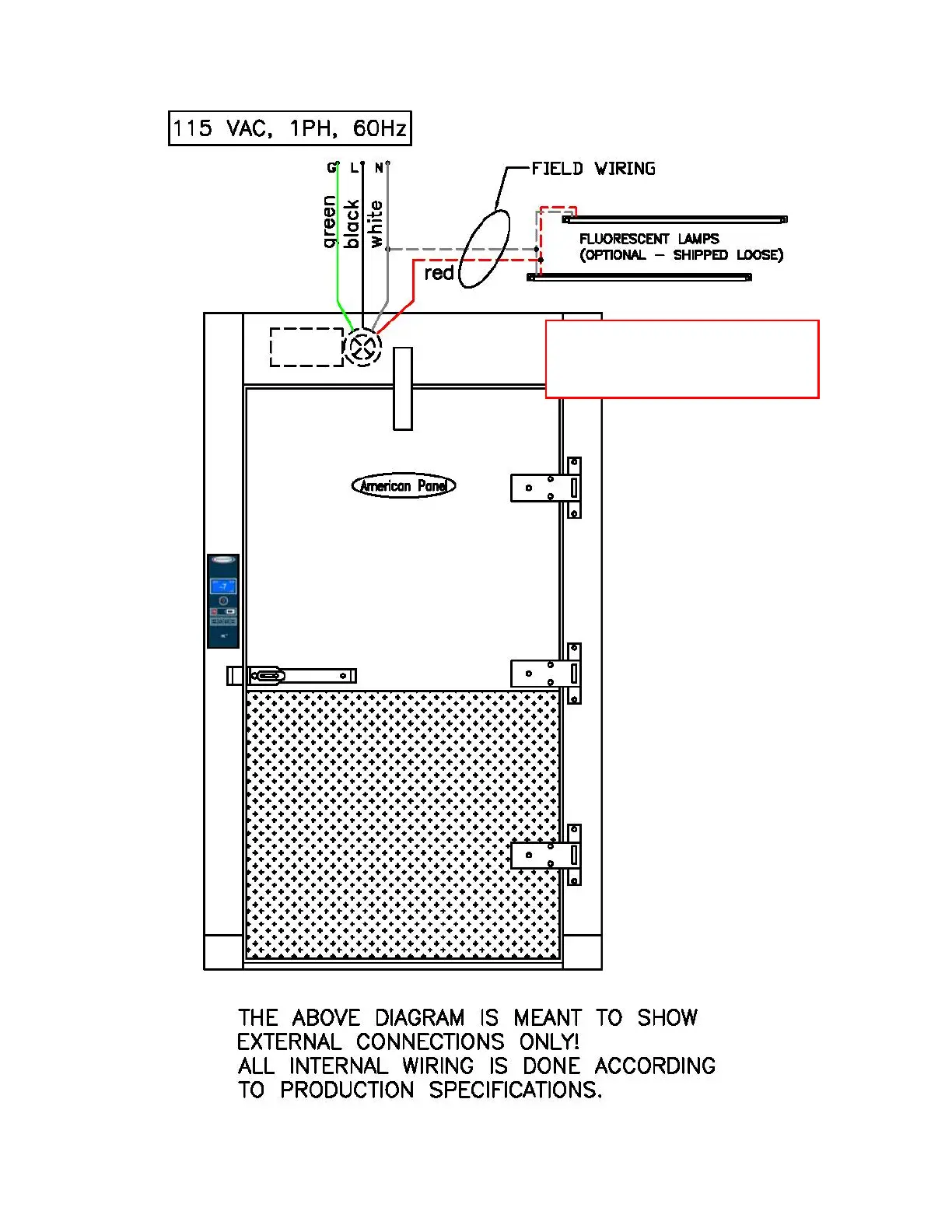
American Panel IC+ - Field Mounted Light Fixture Wiring

American Panel IC+
18 pages
Print Icon
To Next Page IconTo Next Page
To Next Page IconTo Next Page
To Previous Page IconTo Previous Page
To Previous Page IconTo Previous Page
Loading...
10
14.2 FieldMountedLightFixture
ELECTRICIAN MUST
SEAL THE CONDUIT AT
BOTH ENDS!

Related product manuals