EasyManua.ls Logo

American Panel IC+ - 3 WAY - 4 WAY Configuration

American Panel IC+
18 pages
Print Icon
To Next Page IconTo Next Page
To Next Page IconTo Next Page
To Previous Page IconTo Previous Page
To Previous Page IconTo Previous Page
Loading...
12
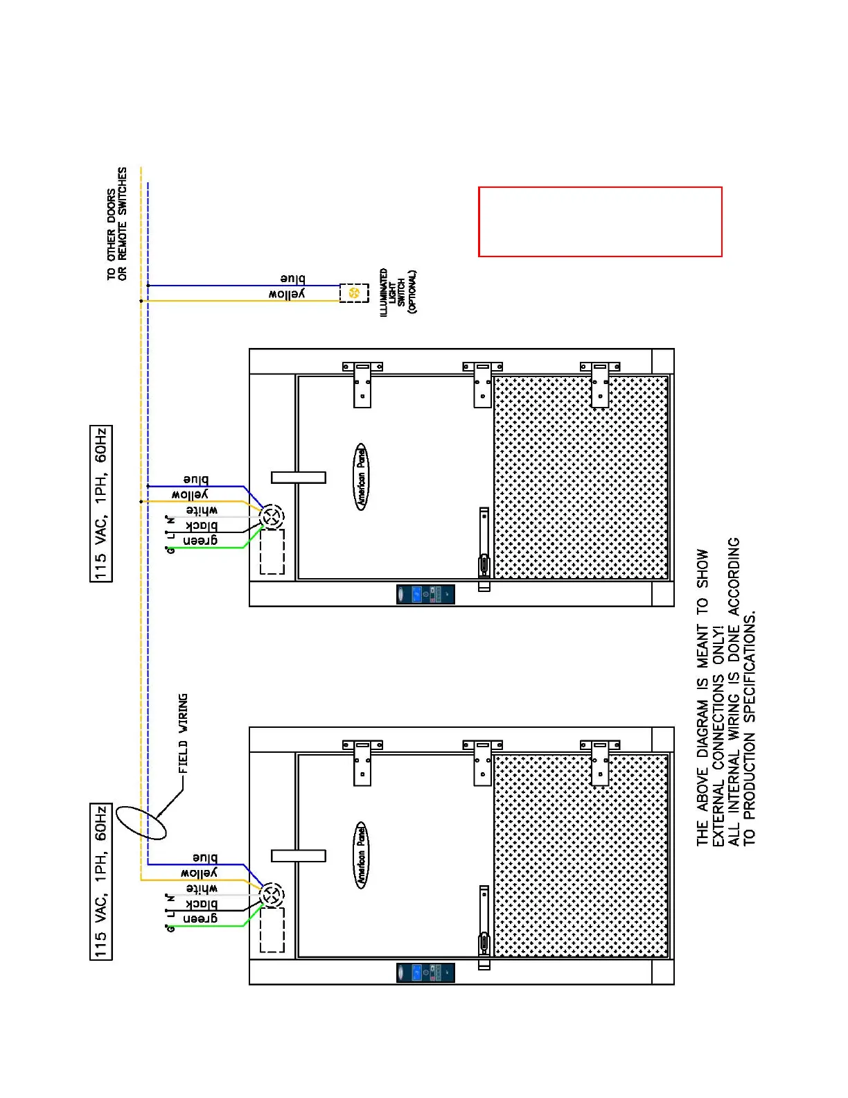
14.4 3WAY–4WAYConfigurationandRemoteLightButton
This configuration is typical to cabinets that have multiple doors. The user will be able to turn on and off the
light from any door.
ELECTRICIAN MUST
SEAL THE CONDUIT AT
BOTH ENDS!

Related product manuals