EasyManua.ls Logo

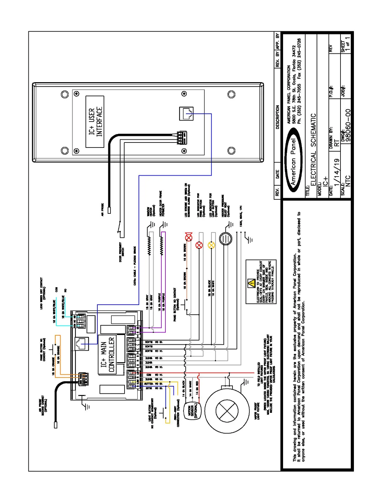
American Panel IC+ - Electrical Schematic; IC+ Main Controller Connections

American Panel IC+
18 pages
Print Icon
To Next Page IconTo Next Page
To Next Page IconTo Next Page
To Previous Page IconTo Previous Page
To Previous Page IconTo Previous Page
Loading...
15
15 ElectricalSchematic

Related product manuals