EasyManua.ls Logo

Amitek AK413VSB - Schemi Elettrici - Wiring Diagrams - Schémas Électriques - Schaltpläne

Amitek AK413VSB
Print Icon
To Next Page IconTo Next Page
To Next Page IconTo Next Page
To Previous Page IconTo Previous Page
To Previous Page IconTo Previous Page
Loading...
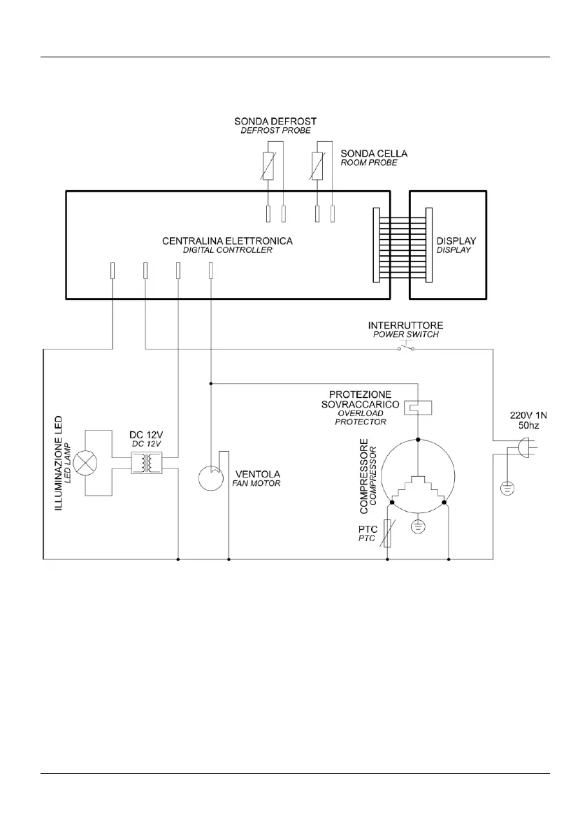
ALLEGATI - ATTACHEMENTS - PIECES JOINTES - ANHÄNGE - 69 -
10. Schemi elettrici - Wiring diagrams - Schémas électriques - Schaltpläne
AK413VSB - AK513VSB - AK613VSB - AK813VSB

Table of Contents