EasyManua.ls Logo

Amprobe DMIII - Page 86

Amprobe DMIII
105 pages
Print Icon
To Next Page IconTo Next Page
To Next Page IconTo Next Page
To Previous Page IconTo Previous Page
To Previous Page IconTo Previous Page
Loading...
AMPROBE
DMIII MULTITEST
EN-84
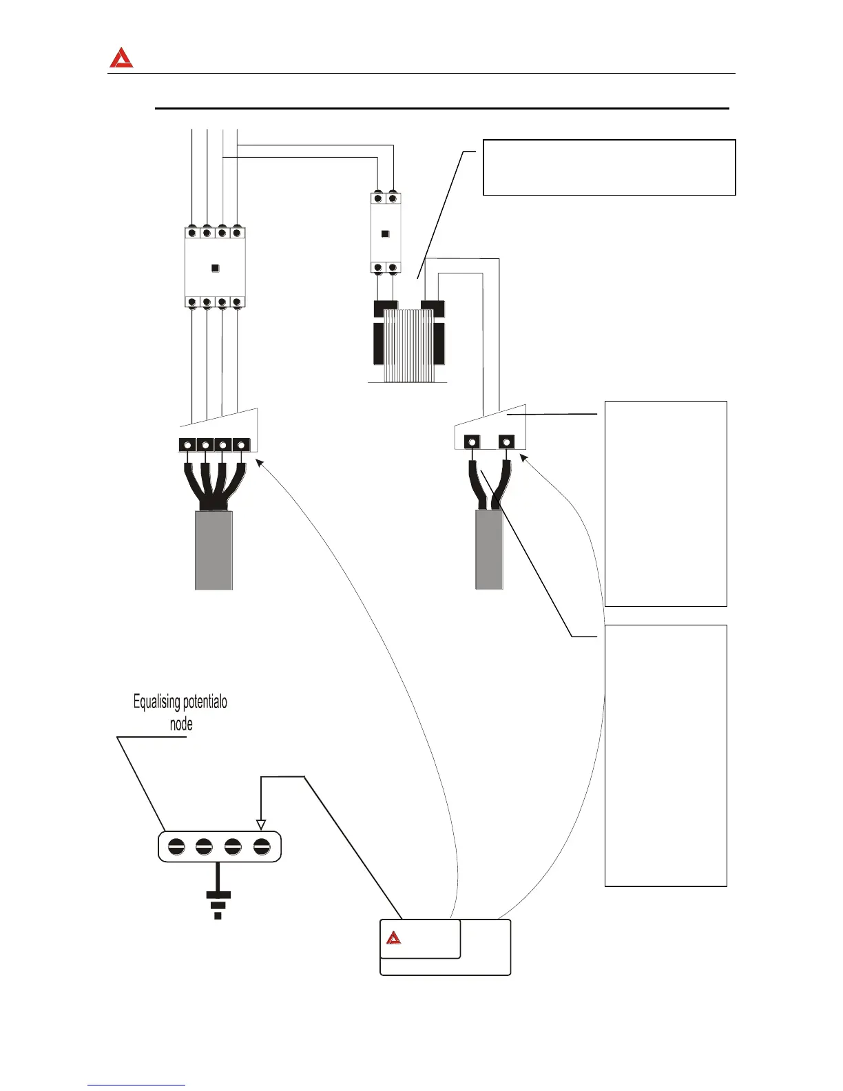
EXAMPLE OF CHECKING THE SEPARATION AMONG ELECTRICAL CIRCUITS
...And among those
other circuits
...Earth
installation
Between the active
parts of the
separated circuit...
AMPROBE
Measurement of separation among the installation circuits
Insulation or safety transformer making
the separation among the circuits.
Test among the
active parts.
Connect a test
lead of the
instrument to one
of the two
conductors of the
separate circuit
and the other to
one of the
conductors of a
no separate
circuit.
Test between
the active parts
and the earth.
Connect a test
lead of the
instrument to one
of the two
conductors of the
separate circuit
and the other to
the equalising
potential node.
This test is to be
effected only for
SELV circuits or
with electrical
separation.

Table of Contents

Related product manuals