EasyManua.ls Logo

Amtech Axpert-Eazy AMT-110-4 - Applicable Encoder Specifications; 10 Chapter-10 Encoder Specifications; Wiring Example

Default Icon
242 pages
Print Icon
To Next Page IconTo Next Page
To Next Page IconTo Next Page
To Previous Page IconTo Previous Page
To Previous Page IconTo Previous Page
Loading...
Axpert-Eazy AC Variable Frequency Drive
10.1
10
CHAPTER-10: ENCODER SPECIFICATIONS
10-1 Applicable encoder specifications
An encoder is used as a standard Line Driver type for the speed detection. The applicable encoder
specifications are as below.
Item Specifications
Supply voltage 5VDC ± 0.25V
Output method Line driver type
Output signal voltage VH (signal high-level voltage): 2.5V or more, VL (signal low
level Voltage): 0.5V or less at input terminal of PCA-2014A/
PCA-2004A. (Differential voltage of A+, B+ in respect to A-, B-)
Supply current
Note 1
Max. 200mA (including signal supply current)
Output signal
90° ± 30° phase difference signal (A phase, B phase)
Note 2
Pulse output frequency Maximum output pulse frequency is 300kHz when the motor
rotates at the maximum speed.
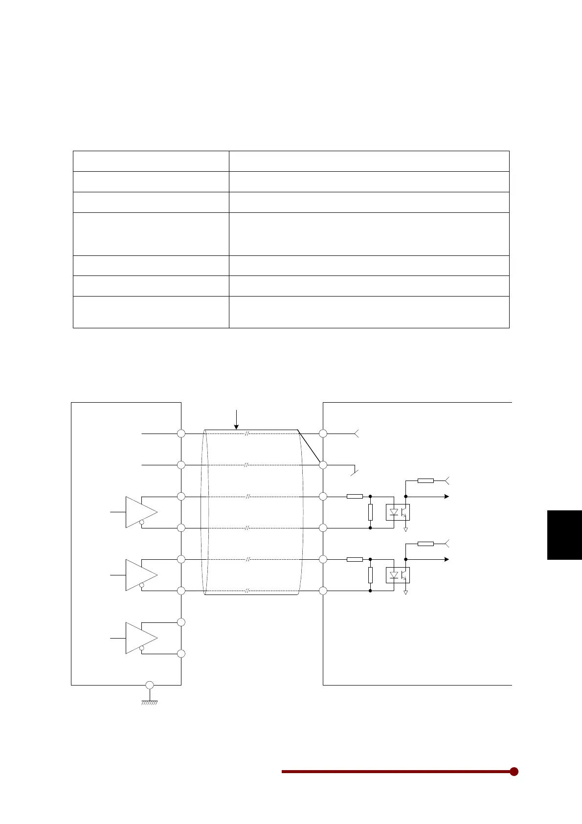
10.2 Wiring example
An example of the connection with standard line driver type +5V operated encoder is shown below.
5V
+5V
0V
0V
A+
A-
B+
B-
Z+
Z-
5V
COM
PA
PAN
PB
PBN
+3.3V
+3.3V
A Phase Pulse
B Phase Pulse
+5V
COM
2k2
2k2
470R
470R
1k51k5
E
0.75mm
2
(AWG 18), 50m(164') or
less, 6-core twisted shielded cable
ENCODER
PCA-2014A / PCA-2004A
TB1
Max
200mA
Fig. 10-1
Note 1: In case the current requirement of encoder exceeds 200mA or variation in encoder count,
connect separate isolated power source to the encoder. Do not connect 5V and 0V of the power
source to +5V and COM of PCA-2014A/ PCA-2004A respectively.

Table of Contents

Related product manuals