EasyManua.ls Logo

Anthos A5 Series - Dental Units

Default Icon
100 pages
Print Icon
To Next Page IconTo Next Page
To Next Page IconTo Next Page
To Previous Page IconTo Previous Page
To Previous Page IconTo Previous Page
Loading...
A5 - A6 PLUS - L6
EN
11
Dental units model:
L6 CONTINENTAL
L6 SIDE DELIVERY
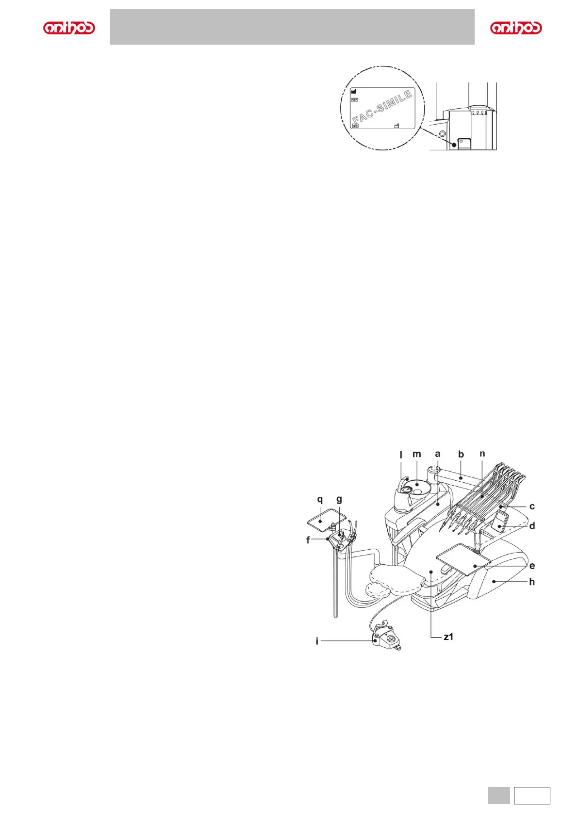
2.2. DENTAL UNITS
Description of the parts.
a Water unit.
b Adjustable arm.
c Dentist's board.
d Dentist’s control console.
e Tray holder (optional).
f Assistant’s board.
g Assistant’s board control console.
h Connection box.
i Multifunction foot control.
l Water-to-cup spout.
m Bowl.
n Self-balancing arm.
o Height-adjustable cart.
p Height-adjustable column
q Tray holder table on assistant's board (optional).
r Negatoscope for panoramic X-rays (optional).
s "PROFESSIONAL" auxiliary board (optional).
v Overturning protection plate (optional).
z1 ANTHOS A2.5 dental chair.
z2 ANTHOS A2.7 dental chair.
z3 ANTHOS A1.3 dental chair.
Model A5:
Model A5 CONTINENTAL (SN. 71HAxxxx)

Table of Contents

Related product manuals