EasyManua.ls Logo

Anthos A5 Series - Page 12

Default Icon
100 pages
Print Icon
To Next Page IconTo Next Page
To Next Page IconTo Next Page
To Previous Page IconTo Previous Page
To Previous Page IconTo Previous Page
Loading...
A5 - A6 PLUS - L6
12
EN
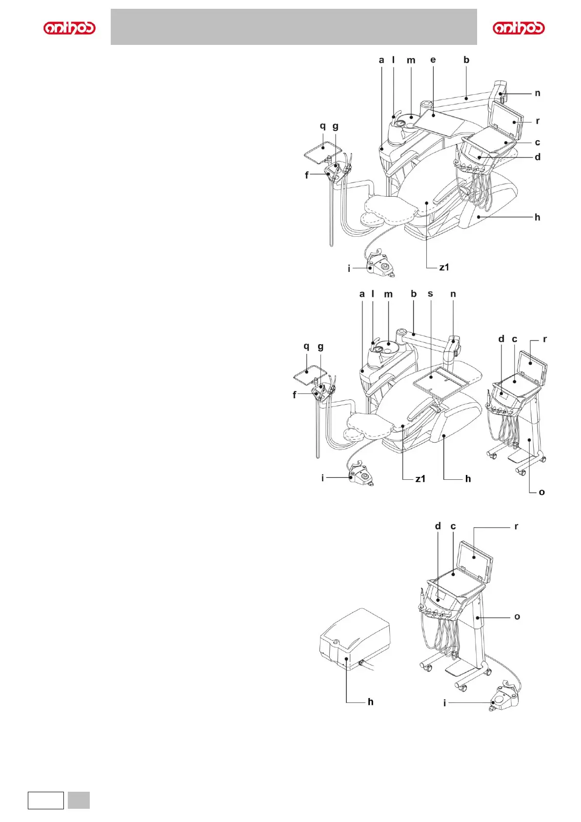
Model A5 INTERNATIONAL (SN. 71HBxxxx)
Model A5 CART (SN. 71HCxxxx)
Model A5 SINGLE CART (SN. 71HDxxxx)

Table of Contents

Related product manuals