EasyManua.ls Logo

Anthos A5 Series - Page 13

Default Icon
100 pages
Print Icon
To Next Page IconTo Next Page
To Next Page IconTo Next Page
To Previous Page IconTo Previous Page
To Previous Page IconTo Previous Page
Loading...
A5 - A6 PLUS - L6
EN
13
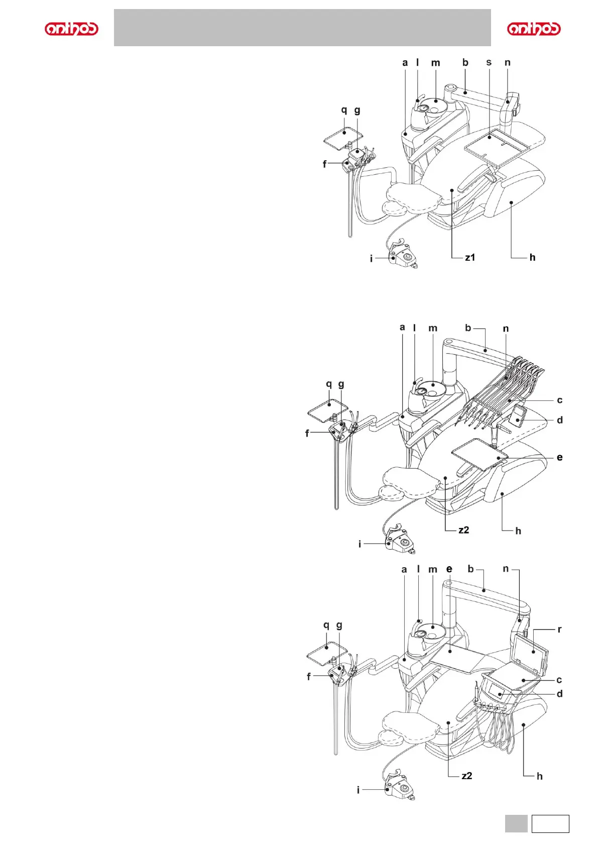
Model A5 SINGLE WATER UNIT (SN. 71HExxxx)
Model A6 PLUS:
Model A6 PLUS CONTINENTAL
Model A6 PLUS INTERNATIONAL (SN. 71HGxxxx)

Table of Contents

Related product manuals