EasyManua.ls Logo

Anthos A5 Series - Page 14

Default Icon
100 pages
Print Icon
To Next Page IconTo Next Page
To Next Page IconTo Next Page
To Previous Page IconTo Previous Page
To Previous Page IconTo Previous Page
Loading...
A5 - A6 PLUS - L6
14
EN
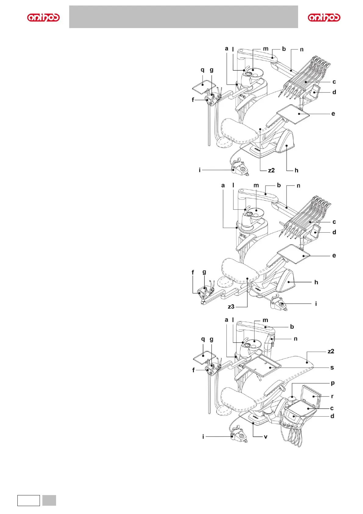
Model L6:
Model L6 CONTINENTAL (SN. 71HJxxxx)
Model L6 CONTINENTAL, HYBRID version (SN. 71HNxxxx)
Model L6 SIDE DELIVERY (SN. 71HKxxxx)

Table of Contents

Related product manuals