EasyManua.ls Logo

Aparici P080 - Electric Network Connection; Electrical Connection Standards

Aparici P080
Print Icon
To Next Page IconTo Next Page
To Next Page IconTo Next Page
To Previous Page IconTo Previous Page
To Previous Page IconTo Previous Page
Loading...
Pxxx_ES_EN_FR_IT_PT_ver3.0_02/22
11
Putting into service:
Before connect hydraulically the water heater to water network lets the water flow some to time to remove
all dirty which could damage the safety valve and block the diffuser.
To fill the water heater properly leave a hot water tap open to drain the water heater tank and only close it
when water comes out fluently. When water become hot after the necessary time tight again all connections to
assure a correct water sealing.
If the water network pressure is higher than the nominal pressure of the water heater, it is compulsory to
install special valve to reduce the water inlet pressure between 2 and 3 bar.
4.- CONNECTION OF THE WATER HEATER TO THE ELECTRIC NETWORK.
The connection of water heater to the electric network must be performed according to standards for
electric installation and made by authorized installers.
These models must be connected to electrical network using a plug supplied assembled to the water
heater. According to this the sole necessary operation from electrical point of view is to plug the water heater to a
socked. If the flexible cord is damaged, it must be substituted by an especial plug cord APARICI reference 91027.
Because the water heater has no components which would permanently separate it from the electric
network, upon the cable connection between it and permanent installation a switch must be installed which
breaks both power supply poles having between the open contacts a gap at least 3 mm wide.
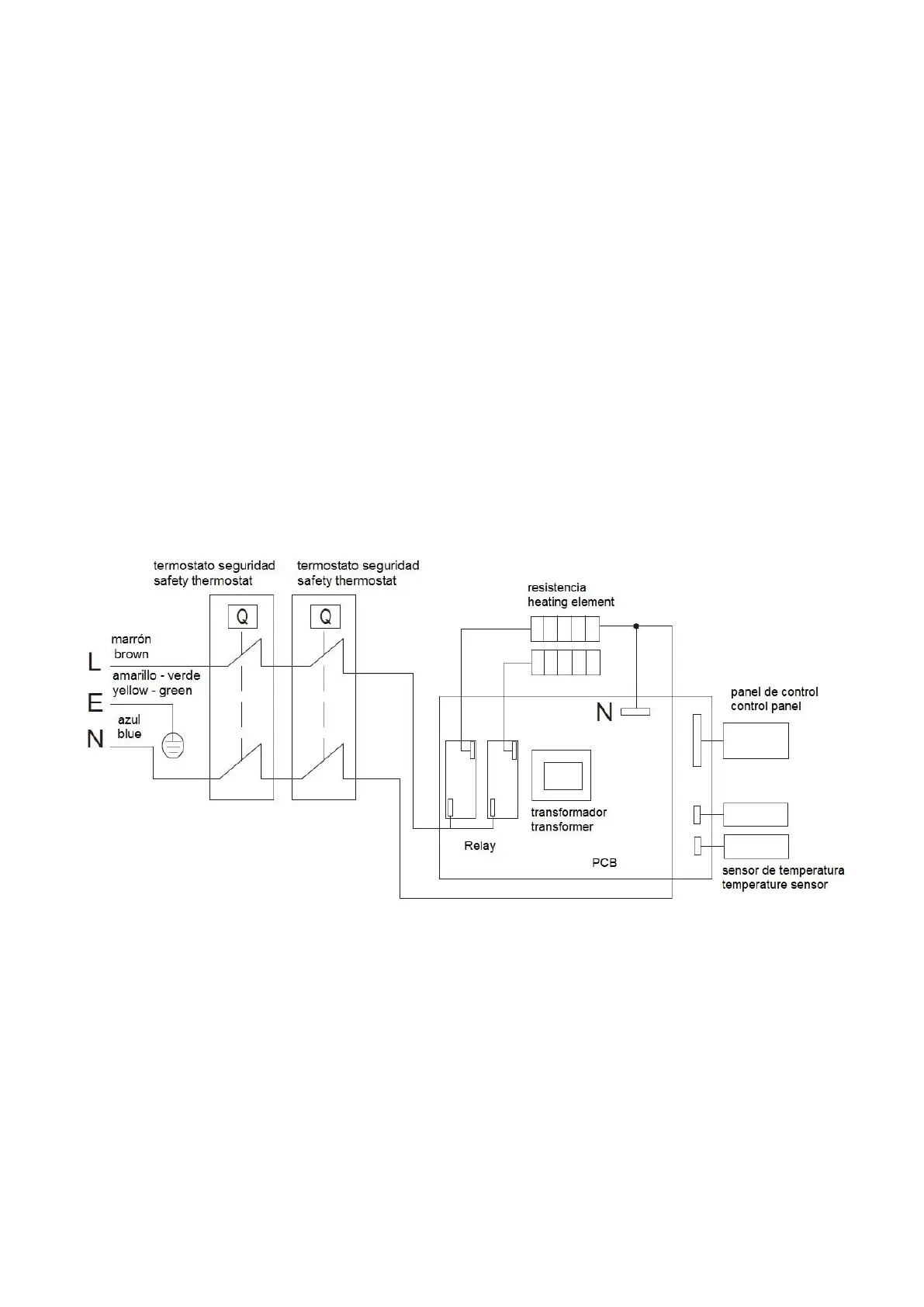
The below drawing shows the electrical water heater diagram:
Fig. 4 APARICI Pxxx electrical diagram
5.- ELECTRICAL CONNECTIONS STANDARDS.
The electrical installation must fulfil the international standards CEI 64-8. According to this standards,
electrical appliances must be installed following the below indications at bathrooms and WC:
1.- zone 0: Installation is totally forbidden at this area. It is also forbidden at zone 1 if it is a prefabricated shower
cabin.
2.- zones 1 and 2: IPX4 appliances with a wire which allows connections 1,2 m from shower vertical and with an
additional RCS switch.
3.- zone 3: IPX1 appliances allowed.
4.- The earth connection of the water heaters is compulsory.
We recommend the installation of the water heaters at zone 3 (fig.- 5).

Related product manuals