EasyManua.ls Logo

Aparici P080 - Installation Électrique

Aparici P080
Print Icon
To Next Page IconTo Next Page
To Next Page IconTo Next Page
To Previous Page IconTo Previous Page
To Previous Page IconTo Previous Page
Loading...
Pxxx_ES_EN_FR_IT_PT_ver3.0_02/22
18
Mise en service:
Avant de connecter hydrauliquement le chauffe-eau, laissez couler l’eau durant quelques minutes afin
d’éliminer toute particule étrange existante dans les tubes et qui pourront obstruer ou abimer la valvule de
sécurité altérant son fonctionnement.
Remplissez le chauffe-eau en laissant le robinet de l’eau chaude ouvert pour expulser l’air de l’appareil.
Fermez le robinet quand l’eau commence á sortir. Quand vous commencez á sentir l’eau chaude, il faut
resserrer les raccords d’entrées et de sorties pour éviter toute fuite possible de l’eau.
Il est convenable s’assurer que la pression de l’installation de l’eau ne soit supérieure á la pression nominale
de l’appareil. Au cas ceci passe, il est nécessaire installer un régulateur de pression juste après le compteur
de l’eau de l’immeuble.
Avant de mettre le chauffe-eau en fonctionnement, il faut s’assurer que l’appareil est correctement plein
d’eau en ouvrant le robinet de l’eau chaude et que l’installation électrique est complètement effectuée.
4.- INSTALLATION ÉLECTRIQUE
L’installation électrique doit être réalisée conformément á la réglementation en vigueur par des
installateurs autorisés.
Ces modèles doivent être branchés au réseau électrique á travers la fiche du câble d’alimentation fournit
avec l’appareil. Pour ceci, l’unique opération á réaliser, de point de vue électrique, est la connexion de ce câble á
une base de courant. Si le câble d’alimentation est endommagé devra être remplacé pour le câble d'alimentation
spécial APARICI référence 91027.
Il est indispensable toujours installer un interrupteur omnipolaire au réseau d’alimentation électrique avec
ouverture minime de 3mm entre les contacts.
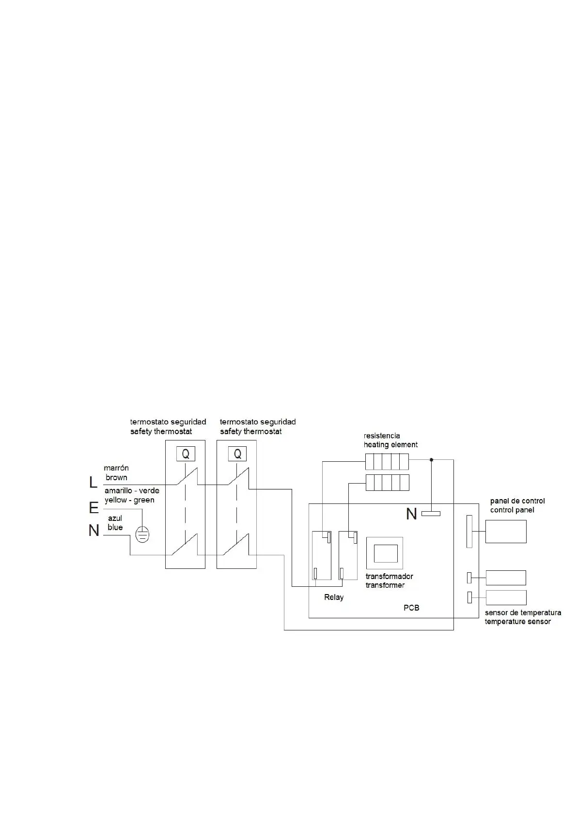
A continuation, vous pouvez trouver le schéma électrique de cette modèle:
Fig. 4 Schéma unifilaire modèle APARICI Pxxx
5.- NORMATIVE/ RÉGLEMENTATION DE CONNEXION ÉLECTRIQUE..
Pour tous types d’usage (familial/ commun), l’installation électrique de chauffe-eau, est précisée par les
normes spécifiques inclues dans le Règlement Électrotechnique de basse tension et la norme CEI 64-8. Selon
lesquelles, il faut prendre en considération les indications suivantes:
1.- Á la zone 0, il est strictement interdit installer tout appareil électrique. Il est interdit aussi installer le chauffe-
eau dans la zone 1 s’il s’agit d’une cabine de douche préfabriquée.

Related product manuals