EasyManua.ls Logo

Aparici P080 - Conexão Eléctrica

Aparici P080
Print Icon
To Next Page IconTo Next Page
To Next Page IconTo Next Page
To Previous Page IconTo Previous Page
To Previous Page IconTo Previous Page
Loading...
Pxxx_ES_EN_FR_IT_PT_ver3.0_02/22
33
Por em funcionamento:
Antes de ligar hidraulicamente o termo, deixe fluir o fluxo de água durante alguns minutos de modo a que
qualquer corpo estranho que é nas condutas, o que pode entupir ou danificar a válvula de segurança, que altera
a operação do mesmo é removido.
Encha o termo deixando em aberto a torneira da água quente para remover o ar do aparelho; Feche a
torneira quando você sair da água. Quando a água está quente você tem que apertar acessórios e fora para
evitar qualquer possível vazamento de água.
Deve ser assegurado que a pressão do sistema de água não exceda a pressão nominal do aparelho. Se
assim for, você precisa instalar um regulador de pressão imediatamente após a carcaça do medidor de água.
Antes de operar o termo elétrico de água, certifique-se de que o aparelho está devidamente
preenchido com água através da abertura de uma torneira de água quente, e foi totalmente realizado a
instalação elétrica.Antes de conectar hidráulicamente el termo, dejar fluir el agua durante unos minutos a
fin de que se elimine cualquier cuerpo extraño que haya en las tuberías, el cual pueda obstruir o dañar la
válvula de seguridad alterando el funcionamiento de la misma.
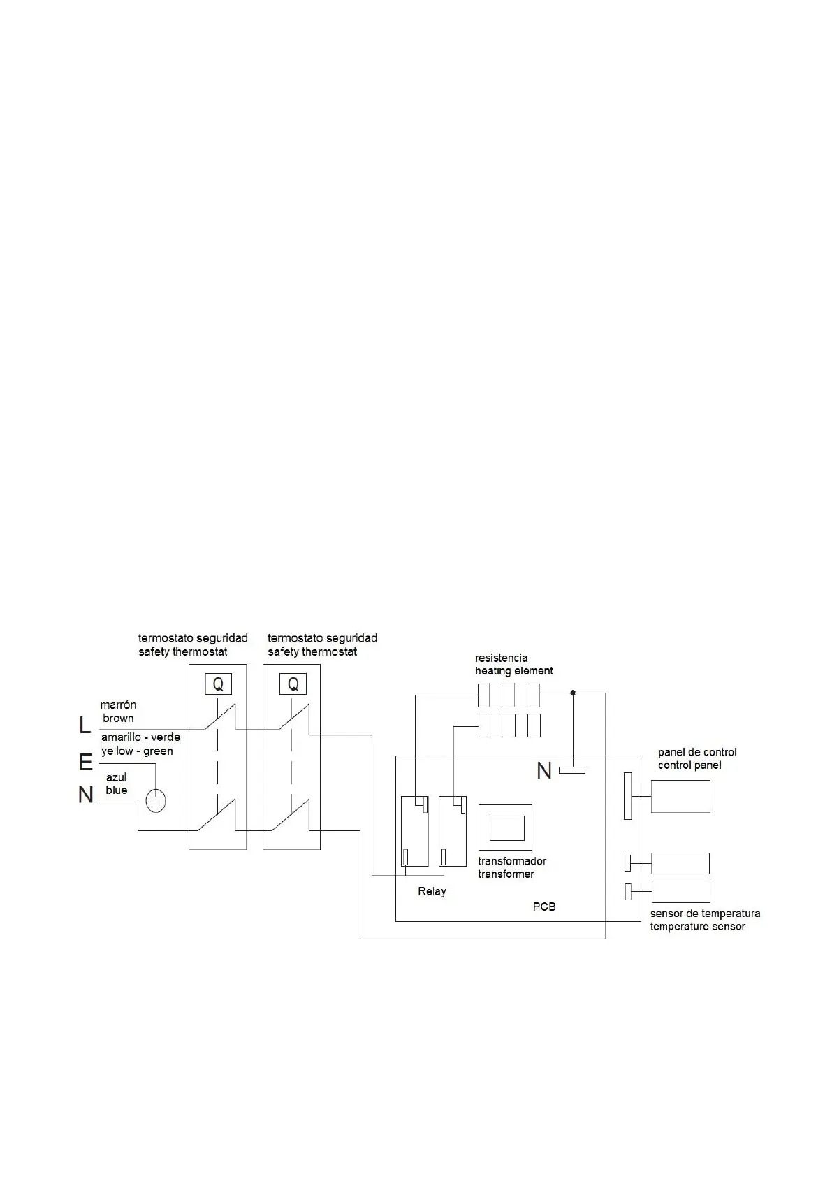
4.- CONEXÃO ELÉCTRICA.
A instalação eléctrica deve estar em conformidade com os regulamentos em vigor por instaladores
autorizados.
Estes modelos devem ser ligado à rede eléctrica através da ficha do cabo de alimentação fornecido com
o aparelho. Portanto, a única operação a ser realizada, a partir do ponto de vista eléctrico, será a ligação do cabo
a uma corrente de base. Se o cabo flexível deste aparelho estiver danificado, deverá ser substituído pelo cabo
especial APARICI referência 91027.
É também essencial para sempre instalar um interruptor de potência pólo rede, com abertura mínima
entre os contactos de 3 mm.
Em seguida, o diagrama de circuito de cada um dos modelos mostrado:La instalación eléctrica debe de
realizarse conforme a la reglamentación en vigor por instaladores autorizados.
Fig.- 4
5.- NORMATIVA DE CONEXÃO ELÉCTRICA.
A instalação eléctrica do termo, é regida pelas regras específicas incluídas nos regulamentos
electrotécnicos para baixa tensão e IEC 64-8. Segundo a qual, para usar os mesmos banheiros e sanitários, os
seguintes pontos devem ser considerados:

Related product manuals