EasyManua.ls Logo

Aparici P080 - Connessione Elettrica

Aparici P080
Print Icon
To Next Page IconTo Next Page
To Next Page IconTo Next Page
To Previous Page IconTo Previous Page
To Previous Page IconTo Previous Page
Loading...
Pxxx_ES_EN_FR_IT_PT_ver3.0_02/22
26
Messa in servizio:
Prima di connettere idraulicamente lo scaldabagno , far scorrere l’acqua per qualche minuto in modo da
eliminare qualsiasi corpo estraneo presente nei tubi , il quale possa ostruire o danneggiare la valvola di
sicurezza alterando il funzionamento della stessa .
Riempire lo scaldabagno lasciando il rubinetto di acqua calda per espellere l’aria dall’apparecchio ; chiudete il
rubinetto quando esce l’acqua . Quando l’acqua sara’ calda bisognera’ stringere i raccordi di ingresso e di uscita
per evitare qualsiasi perdita di acqua .
E’ consigliabile assicurarsi che la pressione dell’installazione dell’acqua non sia superiore alla pressione
nominale dell’apparecchio. Nel caso fosse cosi’, e’ necessario installare un regolatore di pressione subito dopo
l’alloggiamento del contatore.
Prima di mettere in funzione lo scaldabagno elettrico , assicurarsi che l’apparato sia correttamente pieno
di acqua aprendo un rubinetto di acqua calda , e che l’installazione elettrica sia stata completamente eseguita.
4 - CONNESSIONE ELETTRICA .
L’installazione elettrica deve effettuarsi conforme alla regolamentazione in vigore da installatori
autorizzati.
Questi modelli devono essere connessi alla rete elettrica mediante il perno del cavo elettrico di
alimentazione fornito con l’apparecchio . Quindi la sola operazione da realizzare , dal punto di vista elettrico, sara’
la connessione di questo cavo ad una base di corrente . Se il cavo flessibile di alimentazione di questo
apparecchio e’ danneggiato deve essere sostituito con il cavo di alimentazione speciale APARICI codice 91027.
E’ anche indispensabile installare sempre un interruttore omnipolare alla rete di alimentazione elettrica,
con una apertura minima tra i contatti di 3 mm.
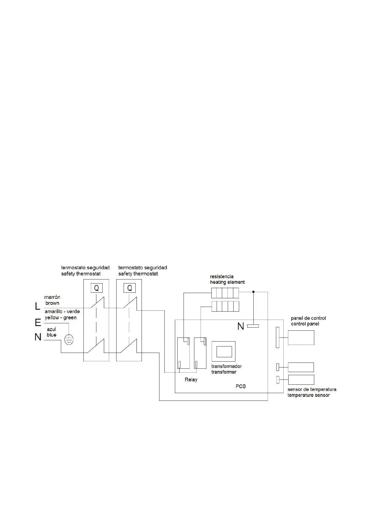
Qui di seguito mostriamo lo schema elettrico di ognuno dei modelli :
Fig 4.-
5.- NORMATIVA DI CONNESSIONE ELETTRICA .
L’installazione elettrica dello scaldabagno e’ regolata dalle norme specifiche incluse nel Regolamento
Elettrotecnico per bassa tensione e la norma CEI 64-8. Secondo cui, per l’utilizzo dello stesso nei bagni , bisogna
tener presente le seguenti indicazioni :
1.- Nella zona 0 e totalmente proibita l’installazione di qualsiasi apparecchio elettrico. E’ anche proibita
l’installazione dentro la zona 1 se si tratta di una cabina doccia fabbricata in anticipo.

Related product manuals