EasyManua.ls Logo

Aparici P080 - Conexión Eléctrica

Aparici P080
Print Icon
To Next Page IconTo Next Page
To Next Page IconTo Next Page
To Previous Page IconTo Previous Page
To Previous Page IconTo Previous Page
Loading...
Pxxx_ES_EN_FR_IT_PT_ver3.0_02/22
4
Puesta en servicio:
Antes de conectar hidráulicamente el termo, dejar fluir el agua durante unos minutos a fin de que se elimine
cualquier cuerpo extraño que haya en las tuberías, el cual pueda obstruir o dañar la válvula de seguridad
alterando el funcionamiento de la misma.
Llénese el termo dejando abierto el grifo de agua caliente para expulsar el aire del aparato; ciérrese el grifo
cuando salga el agua. Cuando el agua esté caliente hay que reapretar los racores de entrada y salida para evitar
cualquier posible escape de agua.
Es conveniente asegurarse que la presión de la instalación de agua no sea superior a la presión nominal del
aparato. En caso de que así sea, es necesario instalar un regulador de presión inmediatamente después del
contador de agua de la vivienda.
Antes de poner en funcionamiento el termo eléctrico, asegurarse de que el aparato está correctamente
lleno de agua abriendo un grifo de agua caliente, y de que se ha efectuado completamente la instalación
eléctrica.
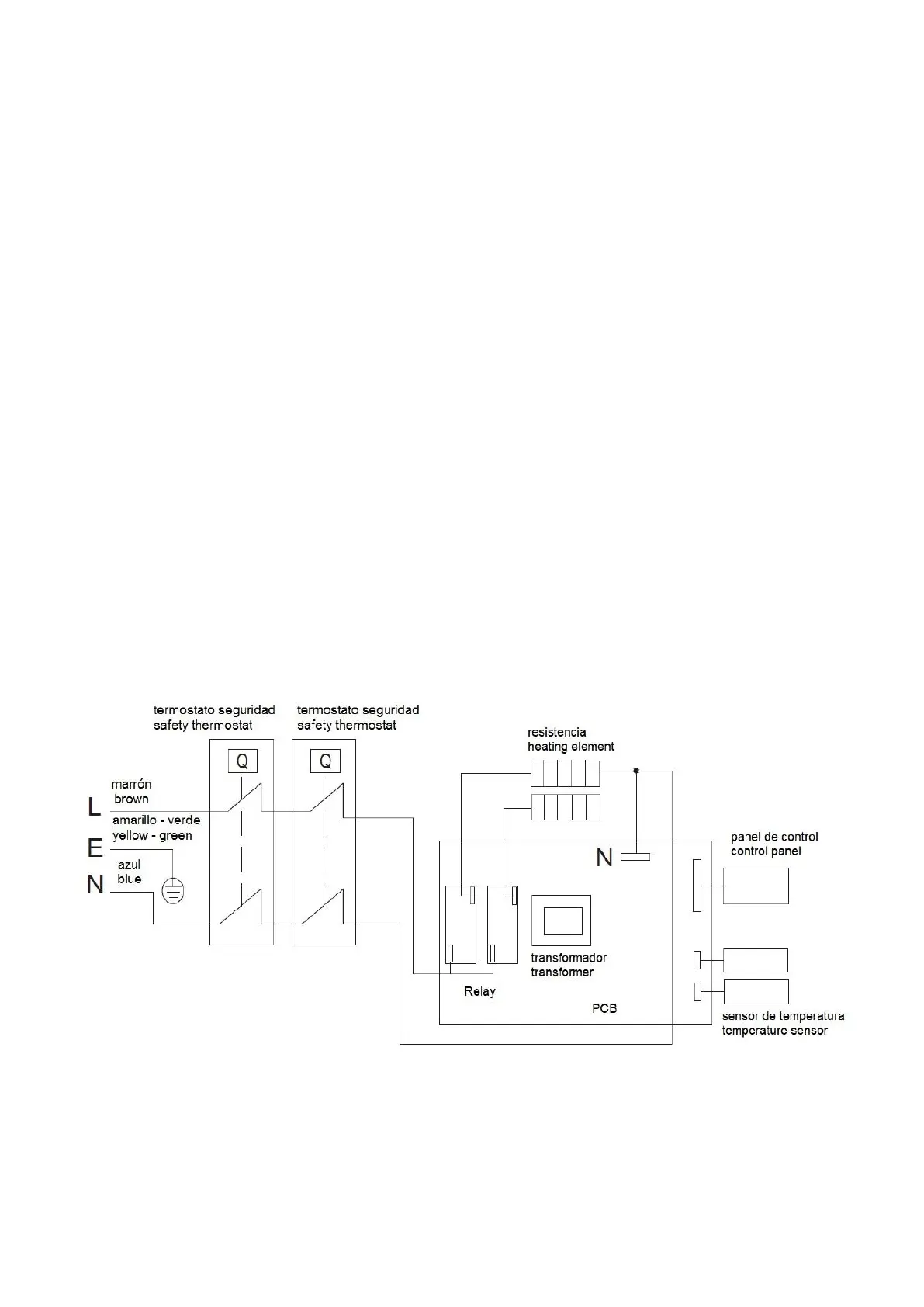
4.- CONEXIÓN ELÉCTRICA.
La instalación eléctrica debe de realizarse conforme a la reglamentación en vigor por instaladores
autorizados.
Estos modelos deben ser conectados a la red eléctrica mediante la clavija del cable eléctrico de
alimentación suministrado con el aparato. Por tanto la única operación a realizar, desde el punto de vista
eléctrico, será la conexión de este cable a una base de corriente. Si el cable flexible de alimentación de este
aparato está dañado debe ser sustituido por el cable de alimentación especial APARICI referencia 91027.
Es también indispensable el instalar siempre un interruptor omnipolar a la red de alimentación eléctrica,
con una apertura mínima entre los contactos de 3 mm.
A continuación se muestra el esquema eléctrico de cada uno de los modelos:
Fig. 4 Esquema unifilar modelo APARICI Pxxx
5.- NORMATIVA DE CONEXIÓN ELÉCTRICA.
La instalación eléctrica del termo, está regulada por las normas específicas incluidas en el Reglamento
Electrotécnico para baja tensión y la norma CEI 64-8. Según el cual, para la utilización del mismo en baños y
cuartos de aseo, deben tenerse en cuenta las siguientes indicaciones:

Related product manuals