EasyManua.ls Logo

Aqua Simpool pH - Annex B: Reference Figures and Labels

Aqua Simpool pH
40 pages
Print Icon
To Next Page IconTo Next Page
To Next Page IconTo Next Page
To Previous Page IconTo Previous Page
To Previous Page IconTo Previous Page
Loading...
Simpool pH model INSTRUCTION AND MAINTENANCE MANUAL
Programmable digital peristaltic pump ENGLISH
ADSP7000407 rev. 1.2 27/03/2015 66/313
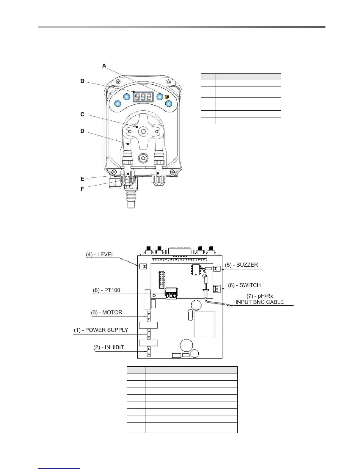
ANNEX B - Reference Figures
Electronic Board layout
Ref.
Description
A
Two-coloured LED
B
3-digit display with 7
segments
C
Roll-holder
D
Peristaltic tube
E
Intake fitting
F
Delivery fitting
Ref.
Description
1
Equipment Power Supply Connector
2
Inhibiting signal connector
3
Motor connector
4
Level Connector
5
Buzzer Connector
6
Switch Connector
7
pH/Rx Input BNC cable
8
PT100 input connector (only in the
temperature compensated version)