EasyManua.ls Logo

Aqua Simpool pH - Annex C: Exploded Views of Components

Aqua Simpool pH
40 pages
Print Icon
To Next Page IconTo Next Page
To Next Page IconTo Next Page
To Previous Page IconTo Previous Page
To Previous Page IconTo Previous Page
Loading...
Simpool pH model INSTRUCTION AND MAINTENANCE MANUAL
Programmable digital peristaltic pump ENGLISH
ADSP7000407 rev. 1.2 27/03/2015 67/313
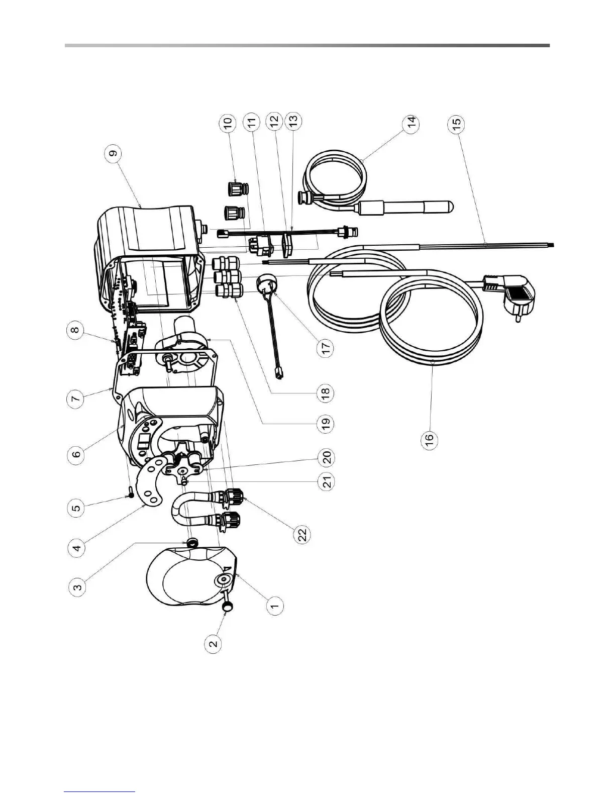
ANNEX C - Exploded views