EasyManua.ls Logo

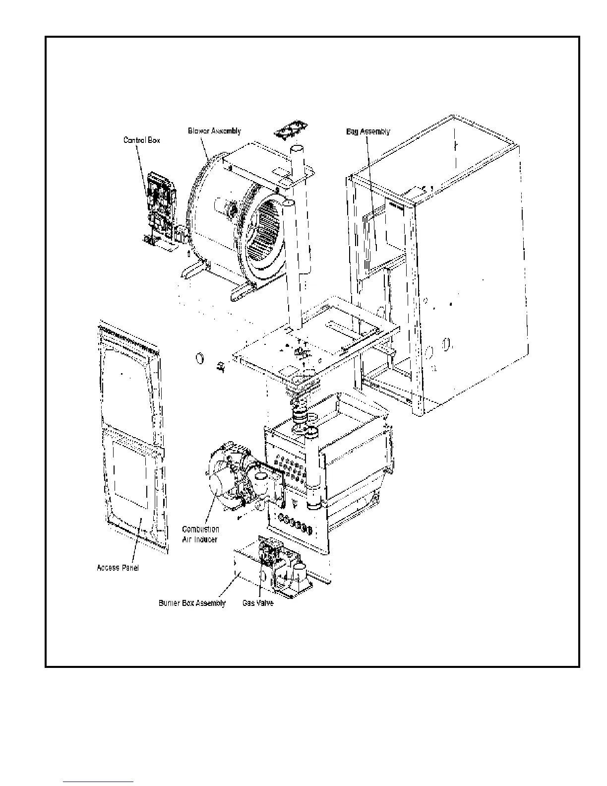
Armstrong Air Conditioning A96DS2V - Parts Arrangement

Armstrong Air Conditioning A96DS2V
72 pages
Print Icon
To Next Page IconTo Next Page
To Next Page IconTo Next Page
To Previous Page IconTo Previous Page
To Previous Page IconTo Previous Page
Loading...
507405-05 Page 3 of 72Issue 1621
Figure 1
Expanded View