EasyManua.ls Logo

Armstrong Air Conditioning A96DS2V - UNIT OPERATION HEATING MODE; UNIT OPERATION COOLING MODE

Armstrong Air Conditioning A96DS2V
72 pages
Print Icon
To Next Page IconTo Next Page
To Next Page IconTo Next Page
To Previous Page IconTo Previous Page
To Previous Page IconTo Previous Page
Loading...
507405-05 Page 71 of 72Issue 1621
Contractor’s: Name______________________________________Telephone________________Checklist Completed____________________
Job Address_______________________________________________________Technician’s Name___________________________________
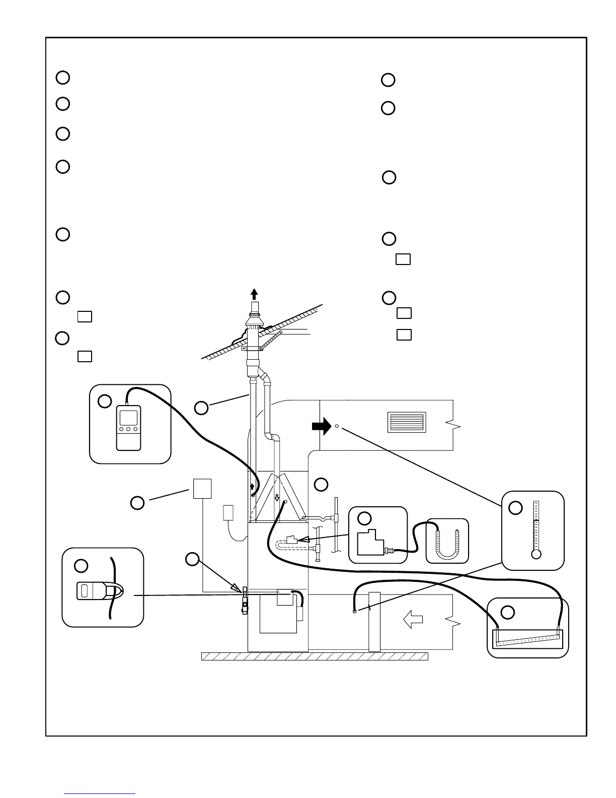
1
HEATING MODE
COMBUSTION SAMPLE CO
2
%
______
CO _____ PPM
2
INDOOR BLOWER AMPS ______
3
TEMPERATURE RISE
4
Supply Duct Temperature
Return Duct Temperature
_
______
Temperature Rise
TOTAL EXTERNAL STATIC
5
Supply External Static
Return External Static
Total External Static
CONDENSATE LINE
6
Leak Free
VENT PIPE
7
Leak Free
COOLING MODE
INDOOR BLOWER AMPS ______
3
TEMPERATURE DROP
Return Duct Temperature
Supply Duct Temperature
Temperature Drop
4
DRAIN LINE
8
Leak Free
THERMOSTAT
Adjusted and Programmed
Explained Operation to Owner
9
SUPPLY
AIR
Blower Motor Amps
Duct Static
Thermostat
Gas Manifold Pressure
1
2
3
4
5
6
7
8
9
Temperatures
RETURN AIR
Combustion CO
2
UNIT OPERATION
TOTAL EXTERNAL STATIC (dry coil)
Supply External Static
Return External Static
Total External Static
5
______
______
=
+
______
______
______
=
_
______
______
______
=
+
______
______
______
=
GAS MANIFOLD PRESSURE “W.C.” ______