EasyManua.ls Logo

Atari Super Breakout - Page 53

Atari Super Breakout
116 pages
Print Icon
To Next Page IconTo Next Page
To Next Page IconTo Next Page
To Previous Page IconTo Previous Page
To Previous Page IconTo Previous Page
Loading...
12.IVll-I~
c::.:.
R:03
_,
R:.?..
330
33
0
'(\
8
D
1
2.0'71o
t-1\Hl.
p
(Rl<o)
-=-
Vff"SCT
N7
(R3
)
2
5"-
I-\
p
(12?>)
&>
4H
3
2.
H
3
p
(
R.~)
CR\
1r...5VI'.<:...
C.
:,
IN400I
CIC:.'L
1~
4001
11..
.
SVC.T~
C.11!?>
~SVA<:.
W 19
Al4F'
Cl2.4
zsvc.r~
p
L3
"?~llo
3Z.ri
BH
Ii
;L
2
<i
..J
rfJ
:i:
"P
(R:.)
12SO
p
IC.
I,:,
,b,
S,
''-·'2.'3.
IK
lPULLUP)
POT
SY
+sv
'>---<.__._-<Ii.--_.---_.~--~
+s
v
+ C.14
C-\-'0,
10·1"~,
11-'2.~,
'215,'ZIC:>
,'2.B,
Izzo
I
I
'2.~3'2
:4-3<...
_
(BYPA':>'5i.)
' '
-sv
C.41
C.r::I:)
C'04
:I2200
J.ic.-=-
-tf I D
I·I
-::-
C4'7
t20V
U\'-.JREC.
7BIC.
ae
+IC..V
-\-
C.S'!:>
+
c~
C.'Z4
14700
l'I
-::-
- -
C.4'Z.
I10
l·'
- -
c.P
QljS
Qi
6)'Z.
4li
MR
14
I~
IZ.
11
I
P(Rib)
P(R.lb)
'.L
~
(Rib)
p
::i:
'.L
<!"
m
..'I
~
p
(Rib)
::x:
..!)
ltl
(\J
15
A7
tv\2.
9
S
2.D
261
7
YB\..Al-JK*
I
83
tQ"'
~
At,,
IS
y
e,LA\...J~~
Tc.
128V
G>4V
ICoV
BV
4V
2.V
IV
N2.
'2.
AS
Jo
12
3!)
"2,Q
ID
3
A4
0
B2.
~Q
11
175
VR~~ET
A~~
II
4
l'D
161
_2.
__
'l~LANI<.
7
"'"
~
Bl
i6i
:3
I<>
Al
0
12
I~
4tl
4tl
IS
\/SYNC.
5
Alt>
46:i
14
CE\
C.1:2.
ex
c.
I~
14
"l
P(R.~)
-=-
H'5YN<:..
LA,'bT
~EF
i..IO"T
't:>e.~IC'a
USE.b
C.'5><o
'ic:l4,t5,4e,
C.2.4
Q~
~~2
~\N'Z.
"(\
NOTICE TO
ALL
PERSONS RECEIVING THIS DRAWING
CONFIDENTIAL:
Reproduction
forbidden
without
the
specific
written
permission
of
Atari,
Inc
.,
Sunnyvale,
California.
This
drawing
is
only
conditionally
issued, and
neither
receipt
nor
possession
thereof
confers
or
transfers
any
right
in,
or
I
icense
to
use, the
subject
matter
of
the
drawing
or
any
design
or
technical
information
shown
thereon,
nor
any
right
to
reproduce
this
drawing
or
any part
thereof,
except
for
manufacture
by vendors
of
Atari, Incor-
porated and
for
manufacture
under
the
corporation's
writ
-
ten
license,
no
right
to
reproduce
this
drawing
is
granted
or
the
subject
matter
thereof
unless
by
written
agreement
with
or
written
permission
from
the
corporation
.
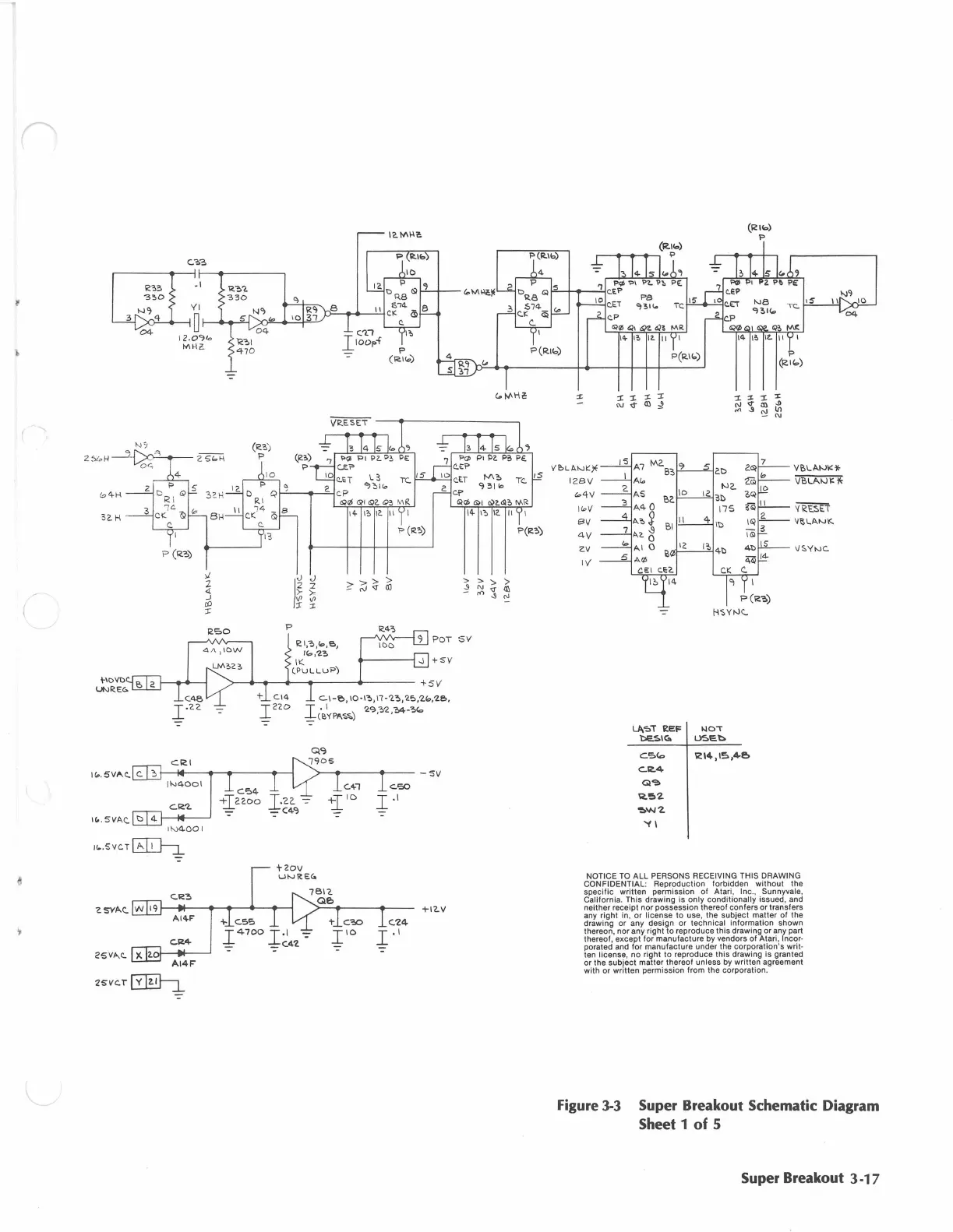
Figure
3-3
Super Breakout Schematic Diagram
Sheet 1
of
5
Super Breakout
3-17