EasyManua.ls Logo

Atari Super Breakout - Page 60

Atari Super Breakout
116 pages
Print Icon
To Next Page IconTo Next Page
To Next Page IconTo Next Page
To Previous Page IconTo Previous Page
To Previous Page IconTo Previous Page
Loading...
+sv
IO\(
J
61
0
x
~PL
v
v
II\
Ill
GI
Ql
IDE
5~~1:,
~
7
7
G,
"'s
s 4
4~
3 2
2
I
!:>E:.LEC.T
I
R
\
ct
Abe.¢
ADRI
l>.t>R2.
ADR':,
(R7.'?>)
p -
At>R
I
:a
SB
,l>._'t>R0
13 S1'
'Si.t\Rll
:STARTC.
-ruT
"SLAM
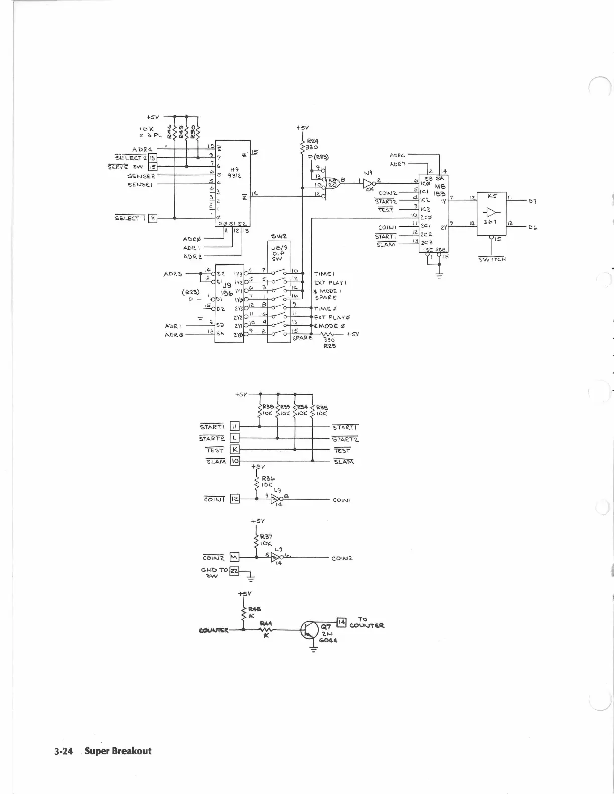
3-24 . Super Breakout
~
IS
1-+'7
'7~\Z.
'i"
14.
~W'Z.
JS/9
DIP
<;,W
4 7
s
5
v
3
I
12.
8
II
\0
9
2..
+sv
R~~
R~~
IQ\:'..
IOI:'.
\I
L
[g]
10
+sv
+sv
+5V
+sv
IC'Z.4
330
P(12.i~)
~'?>S
\0\(
101:'.:
t-S"V
STA.g_\(
'STAeTz..
~
'SL~l'J\
TO
C.OUVT;Jit.