EasyManua.ls Logo

ATI Technologies PROFINET DL10 - The Master Is Coupled with the Tool and the Tool Is Free of the Stand

Default Icon
59 pages
Print Icon
To Next Page IconTo Next Page
To Next Page IconTo Next Page
To Previous Page IconTo Previous Page
To Previous Page IconTo Previous Page
Loading...
Manual, Control Module, PROFINET, DL10
Document #9620-20-C-DL10-04
Pinnacle Park • 1031 Goodworth Drive • Apex, NC 27539 • Tel: 919.772.0115 • Fax: 919.772.8259 • www.ati-ia.com
C-21
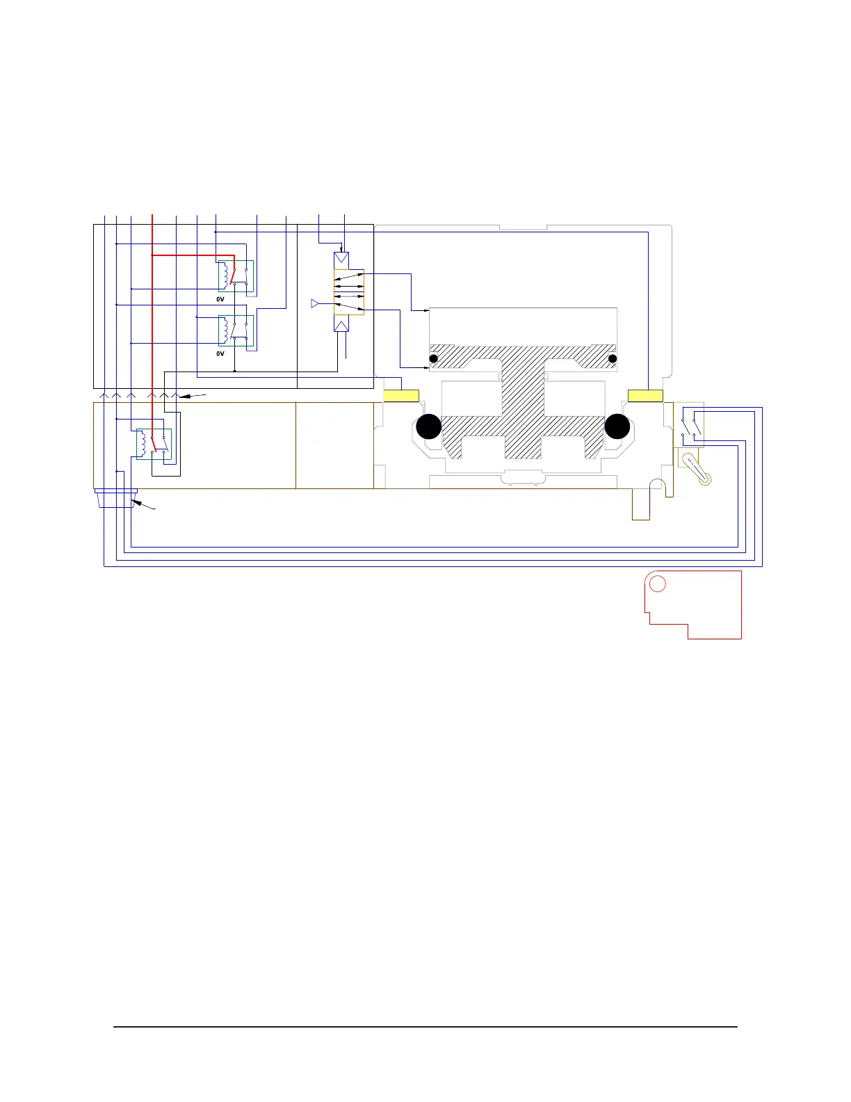
2.5.3 The Master is Coupled with the Tool and the Tool is Free of the Stand
The Master and Tool are coupled and are free of the tool stand. The RTL bypass circuit is open, as
indicated by RTLV1 and RTLV2 being ON. The TSI Switch (Normally open) is not made and thus
breaking the TSI circuit and interrupting an UNLATCH command.
Figure 2.11—TSI Circuit with Master and Tool Locked and Free of Stand (DL10-T Shown)
LATCH
(24V)
UNLATCH
(24V)
24V
RTL1
Bypass
Relay
1 (N.C.)
2 (N.O.)
1
2
RTL2
Bypass
Relay
1 (N.C.)
2 (N.O.)
1
2
RTLV1
0V
Valve Module
Master Control Module
US2
0V
RTL1
RTLV2
RTL2
Tool Spacer
Electrical Contacts
TSI Relay
(N.O.)
TSRV
TSI Connector
TSI
Switch
Tool Changer
Locking
Mechanism
Air Cylinder
RTL R2 RTL R1
Solenoid
Valve
Air
Input
0V
UNLATCH
UNLATCH
Tool Control Module
(DL4 Shown)
TSIV
Tool Stand

Table of Contents