EasyManua.ls Logo

Atlas Copco GA 110 VSD+ - Cooling and Condensate System

Atlas Copco GA 110 VSD+
130 pages
To Next Page IconTo Next Page
To Next Page IconTo Next Page
To Previous Page IconTo Previous Page
To Previous Page IconTo Previous Page
Loading...
Instruction book
14 9829 3178 63
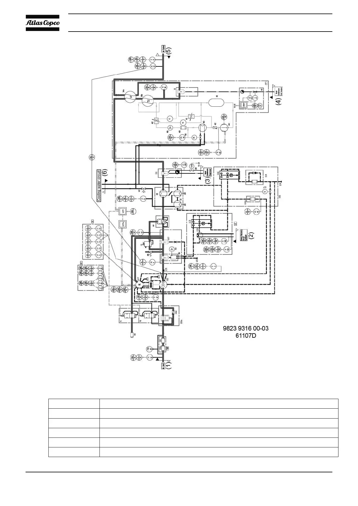
Water-cooled version
Reference Description
1 Air inlet
2 Energy recovery circuit (optional)
3 Condensate drain, compressor
4 Condensate drain, compressor Full-Feature
5 Air outlet

Table of Contents

Related product manuals