EasyManua.ls Logo

Atlas Copco GA132

Atlas Copco GA132
41 pages
To Next Page IconTo Next Page
To Next Page IconTo Next Page
To Previous Page IconTo Previous Page
To Previous Page IconTo Previous Page
Loading...
2920 1251 02
11
Instruction book
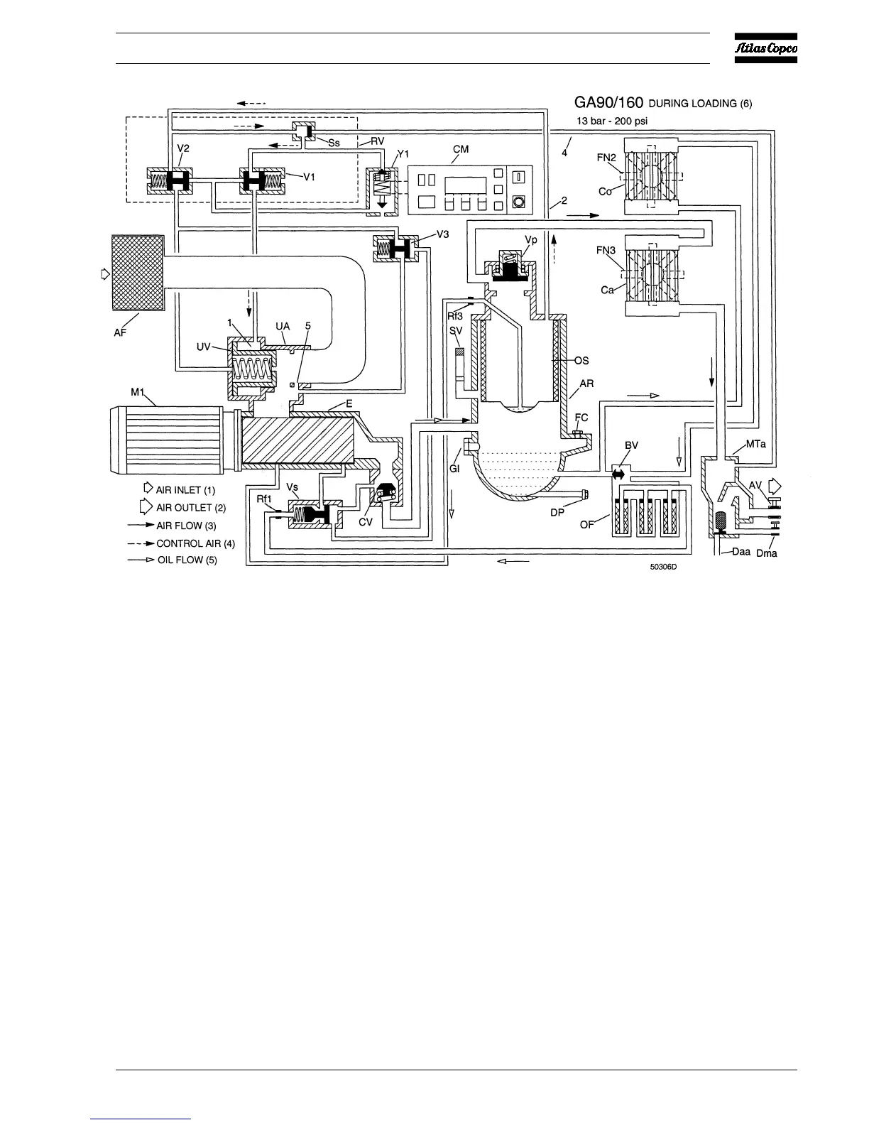
AF. Air filter(s)
AR. Air receiver/oil separator
AV. Air outlet valve
BV. Thermostatic by-pass valve(s),
oil cooler(s)
Ca. Air cooler
CM. Elektronikon
®
regulator
Co. Oil cooler(s)
CV. Check valve
CV1. Check valve
CV2. Check valve
Daa. Automatic condensate drain
outlet
Dma. Manual condensate drain valve
DP1. Drain plug, oil
E. Compressor element
E1. Compressor element
E2. Compressor element
FC. Filler plug, oil
FN2/3. Fans
Gl. Oil level indicator
MTa. Moisture trap
M1. Drive motor
OF. Oil filters
OS. Oil separator element
Rf1/3. Restrictors
RV. Regulating valve
Ss. Pressure selector valve
SV. Safety valve
UA. Unloader
UA1. Unloader
UA2. Unloader
UV. Unloading valve
UV1. Unloading valve
UV2. Unloading valve
Vp. Minimum pressure valve
Vs. Oil stop valve
Vs1. Oil stop valve
Vs2. Oil stop valve
V1. Control valve for unloading
valve
V2. Vent valve
V3. Vent valve 1)
Y1. Loading solenoid valve
1. Chamber
2. Flexible, control air or blow-
off air
3. Flexible, blow-off air
4. Flexible, control air
5. By-pass hole, unloader
1) For GA/GA W 90 up to -160: only provided on 13 bar/200 psi versions
Figs. 5 Regulating systems
Fig. 5b GA90 up to -160 during loading (13 bar / 200 psi)

Related product manuals