EasyManua.ls Logo

Atmel AVR ATtiny10 Series - Page 3

Atmel AVR ATtiny10 Series
77 pages
Print Icon
To Next Page IconTo Next Page
To Next Page IconTo Next Page
To Previous Page IconTo Previous Page
To Previous Page IconTo Previous Page
Loading...
ATtiny10/11/12
3
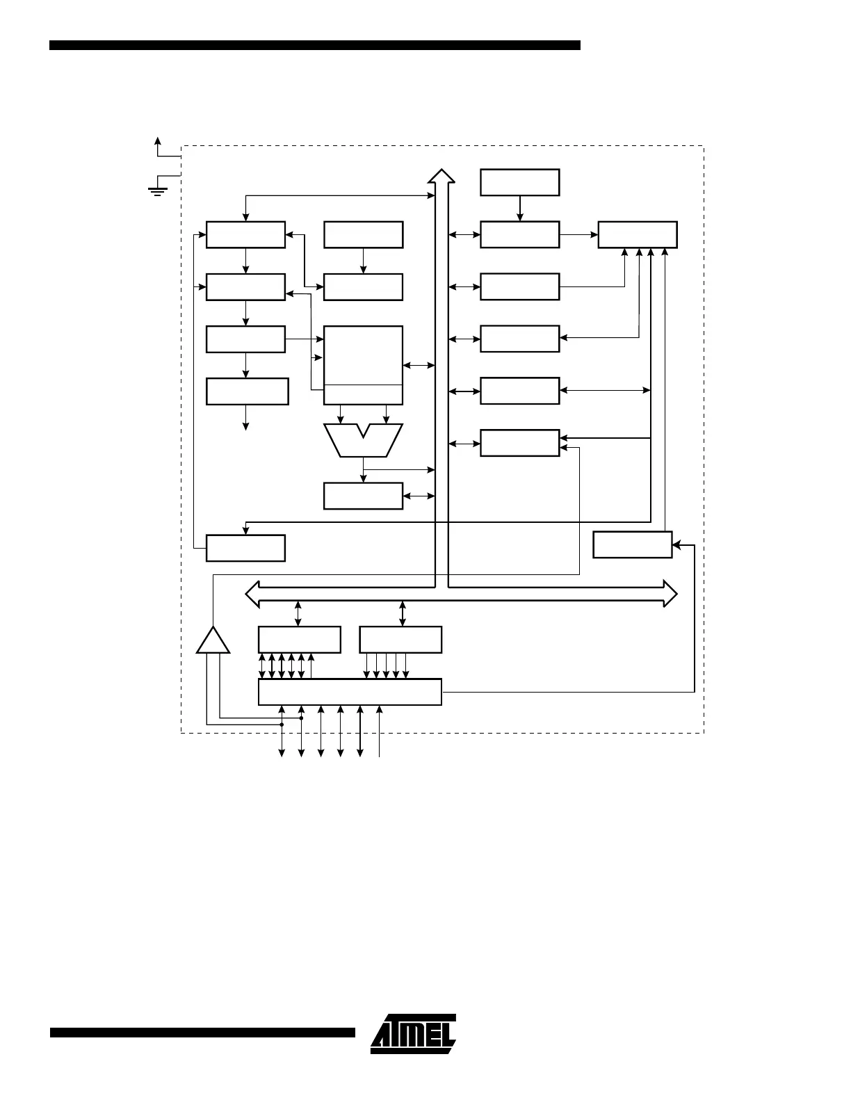
Figure 1. The ATtiny10/11 Block Diagram
PROGRAM
COUNTER
INTERNAL
OSCILLATOR
WATCHDOG
TIMER
STACK
POINTER
PROGRAM
FLASH
HARDWARE
STACK
MCU CONTROL
REGISTER
GENERAL-
PURPOSE
REGISTERS
INSTRUCTION
REGISTER
TIMER/
COUNTER
INSTRUCTION
DECODER
DATA DIR.
REG. PORTB
DATA REGISTER
PORTB
PROGRAMMING
LOGIC
OSCILLATORS
TIMING AND
CONTROL
INTERRUPT
UNIT
MCU STATUS
REGISTER
STATUS
REGISTER
ALU
PORTB DRIVERS
PB0-PB5
VCC
GND
CONTROL
LINES
+
-
ANALOG
COMP
ARATOR
8-BIT DATA BUS
Z

Related product manuals