EasyManua.ls Logo

AudioArts Engineering R-55 - Page 95

Default Icon
119 pages
Print Icon
To Next Page IconTo Next Page
To Next Page IconTo Next Page
To Previous Page IconTo Previous Page
To Previous Page IconTo Previous Page
Loading...
C17
0.1uF
GND
VCC
VCC
GND
VCC
.3A
POLYSW
F4
R-55/Mar 2003
page 11 - 12
A
2 OF 3
16S0002
CR-2000A PCB
4-25-02
CRS-55
W# 700649
SA
SA
SA
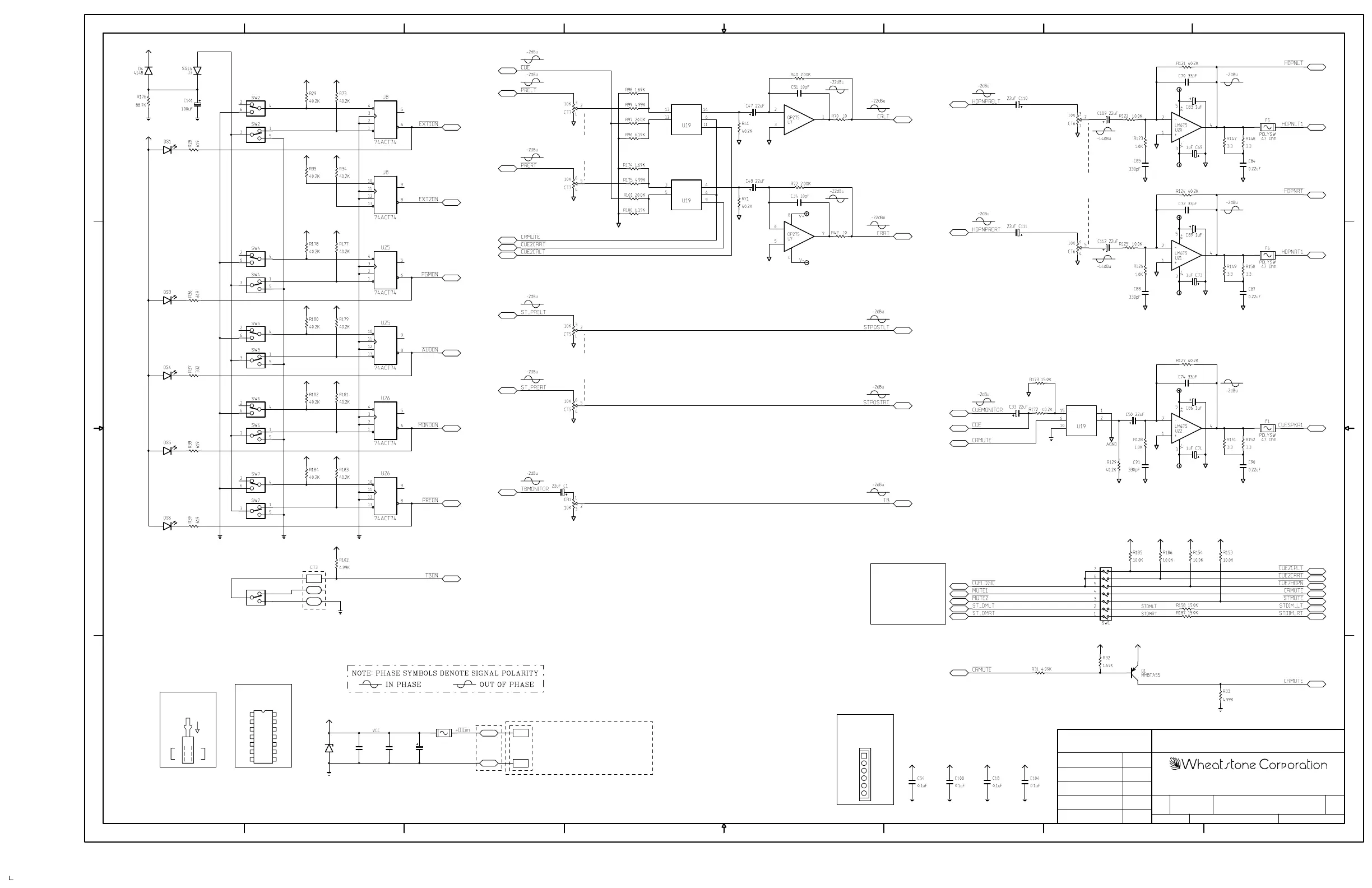
CRS-55 Control Room/Studio Module Schematic - Sheet 2 of 3
A
B
C
DD
C
B
A
87654321
12345678
SIZE FSCM NO. DWG. NO. REV
D
SHEETSCALE
DATEAPPROVALS
CONTRACT NO.
DRAWN
ISSUED
CHECKED
New Bern, NC 28562
600 Industrial Drive
58
55
GND
VCC
GND
VCC
GND
VCC
6.2V
1N4735
Z3
0.1uF
C103
22uF
C102
GNDGND
2
4
65
1
3
NO
NC
NC
NO
BA
VIEWED FROM ABOVE
(COMPONENT SIDE)
TYPICAL 2 POLE
SWITCH PINOUT
VCC
VCC
VCC
VCC VCC
GND
VCC
VCC
VCC
GNDGND
VCC
VCC
VCC VCC
VCC
VIEWED FROM ABOVE
(COMPONENT SIDE)
74LS74
IC PINOUT
14
13
12
11
10
9
87
6
5
4
3
2
1
VSS
CLRa
Da
CKa
PRa~
Qa
Qa
CLRb
Db
CKb
PRb
Qb
Qb
VCC
____
___
__
__
___
AGND
AGND
AGND
AGND
AGND
AGND
AGND
AGND
AGND
AGND
AGND
AGND
AGND
AGND
1
2
3
4
5
6
6 PIN JST
CONNECTOR
PINOUT
VIEWED FROM ABOVE
(COMPONENT SIDE)
V+V-V+V-V+V-
AGND
AGND
AGND
AGND
X_Y
INH
S
4053
X
Y
X_Y
INH
S
4053
X
Y
X_Y
INH
S
4053
X
Y
VCC
AGND
GND
1
2
3
VCC
AGND
AGND
+
-
V+V-
-
+
AGND
AGND
AGND
VCCVCC VCC
GND
AGND
AGND
VCCVCC
GND
Q
Q
_
D
CLR
SET
___
___
CLK
Q
Q
_
D
CLR
SET
___
___
CLK
Q
Q
_
D
CLR
SET
___
___
CLK
Q
Q
_
D
CLR
SET
___
___
CLK
Q
Q
_
D
CLR
SET
___
___
CLK
Q
Q
_
D
CLR
SET
___
___
CLK
RT
LT
RT
LT
RT
LT
TB
LEVEL
TB
SW
CR
62 PIN
EDGE
CONNECTOR
DIG.COM.
+DIG
AUD
SW
MONO
SW
PRE
SW
EXT 1
SW
PGM
SW
HDPN
LEVEL
STUDIO
LEVEL
CR
LEVEL
CUE TO CR LT
CUE TO CR RT
MUTE2 TO STUDIO
MUTE1 TO CR
CUE TO HDPN
STUDIO LT DIM
STUDIO RT DIM

Table of Contents

Related product manuals