EasyManua.ls Logo

AudioArts Engineering RD-12 - Page 86

Default Icon
112 pages
Print Icon
To Next Page IconTo Next Page
To Next Page IconTo Next Page
To Previous Page IconTo Previous Page
To Previous Page IconTo Previous Page
Loading...
BD[7]
R121
4.99K
R124
4.99K
VCC
R120
4.99K
GND
R125
4.99K
VCC
0.01uF
C43
VCC
GND
C13
0.01uF
VCC
GND
C11
0.01uF
VCC
GND
C7
0.01uF
VCC
GND
0.01uF
C41
VCC
GND
C8
0.01uF
VCC
GND
C21
0.01uF
VCC
GND
0.01uF
C86
VCC
GND
C1
0.01uF
VCC
GND
C22
0.01uF
VCC
GND
C6
0.01uF
VCC
GND
0.01uF
C110
VCC
GND
R44
4.99K
VCC
GND
0.01uF
C108
VCC
GND
R126
4.99K
GND
U19
6
5
4
74ALS09
U19
3
1
2
74ALS09
R122
4.99K
GND
R16
10.0K
GND
R15
10.0K
R179
475
R178
475
R159
475
R160
475
R156
475
R155
1.00K
BD[0]
BD[1]
BD[2]
BD[3]
BD[4]
BD[5]
BD[6]
BD[7]
BD[0]
BD[1]
BD[2]
BD[3]
BD[4]
BD[5]
BD[6]
BD[7]
BD[0]
BD[1]
BD[2]
BD[3]
BD[4]
BD[5]
BD[6]
120/110
120/111
120/112
120/108
120/109
VCC
R127
4.99K
VCC
R128
4.99K
VCCVCC
R123
4.99K
GND
U34
74ALS09
12
13
11
C10
0.01uF
GND
GND
BD[0]
BD[1]
BD[2]
BD[3]
BD[4]
BD[5]
BD[6]
BD[7]
GND
BD[0]
BD[1]
BD[2]
BD[3]
BD[4]
BD[5]
BD[6]
BD[7]
R181
10
VCC
U19
74ALS09
12
13
11
R158
1.00K
U19
74ALS09
9
10
8
R157
1.00K
R13
1.00K
VCC
R14
1.00K
VCC
GND
R183
220
R184
332
GND
VCC
R162
68
R182
68
U16
21
74AC14
U16
89
74AC14
LDB/2
R143
2.43K
Q6
MMBTA05
GND
GND
R168
10
R144
10.0K
LDB/15
R145
2.43K
Q7
MMBTA05
GND
GND
R169
10
R146
10.0K
LDB/8
R141
2.43K
Q5
MMBTA05
GND
GND
R167
10
R142
10.0K
LDB/21
R140
2.43K
GND
GND
R166
10
R139
10.0K
U18
5
6
4
74ACT08
U18
3
2
1
74ACT08
VCC
GND
0.01uF
C37
R45
4.99K
GND
VCC
GND
0.01uF
C40
GND
R47
10.0K
GND
R46
10.0K
GND
R34
10.0K
VCCVCC
VIEWED FROM ABOVE
(COMPONENT SIDE)
4 POSITION
DIPSWITCH
PINOUT
1
2
3
45
6
7
8
ON
ON
ON
ON
1
2
3
4
74AC157
IC PINOUT
VIEWED FROM ABOVE
(COMPONENT SIDE)
VSS
1
2
3
4
5
6
7
9
10
11
12
13
14
VCC
8
15
16
A/B
1A
1B
1Y
2A
2B
2Y
4Y
4B
4A
3Y
3B
3A
G
74AC14
IC PINOUT
VIEWED FROM ABOVE
(COMPONENT SIDE)
If
Of
Id
Ib
Ia
Ic
Ie
Oe
O2c
VSS
1
2
3
4
5
6
78
9
10
11
12
13
14
Oa
Ob
Od
VCC
74AC32
IC PINOUT
VIEWED FROM ABOVE
(COMPONENT SIDE)
VSS
1
2
3
4
5
6
78
9
10
11
12
13
14I1a
I2a
Oa
I1b
I2b
Ob
Oc
I1c
I2c
Od
I1d
I2d
VCC
74AC08/09
IC PINOUT
VIEWED FROM ABOVE
(COMPONENT SIDE)
VSS
1
2
3
4
5
6
78
9
10
11
12
13
14I1a
I2a
Oa
I1b
I2b
Ob
Oc
I1c
I2c
Od
I1d
I2d
VCC
49FCT805
IC PINOUT
VIEWED FROM ABOVE
(COMPONENT SIDE)
1
2
3
4
5
6
7
11
12
13
14
VSS8
VCC
15
16
9
10
17
18
19
20VCC
VSS VSS
OA1
OA2
OA3
OA4
OA5
OEA
INA INB
OEB
MON
OB5
OB4
OB3
OB2
OB1
74HC373
IC PINOUT
VIEWED FROM ABOVE
(COMPONENT SIDE)
1
2
3
4
5
6
7
11
12
13
14
VSS
8
VCC
15
16
9
10
17
18
19
20OC
1Q
1D
2D
2Q
3Q
3D
4D
4Q
C
5Q
5D
6D
6Q
7Q
7D
8D
8Q
74ABT245
IC PINOUT
VIEWED FROM ABOVE
(COMPONENT SIDE)
1
2
3
4
5
6
7
11
12
13
14
VSS
8
VCC
15
16
9
10
17
18
19
20DIR
A1
A2
A3
A4
A5
A6
A7
A8
B8
B7
B6
B5
B4
B3
B2
B1
G
VIEWED FROM ABOVE
(COMPONENT SIDE)
74ABT244
IC PINOUT
1
2
3
4
5
6
7
11
12
13
14
VSS
8
VCC
15
16
9
10
17
18
19
201G
1A1
2Y4
1A2
2Y3
1A3
2Y2
1A4
2Y1
2A1
1Y4
2A2
1Y3
2A3
1Y2
2A4
1Y1
2G
GND
0.01uF
C36
VCC
R129
4.99K
120/107
R161
68
U16
34
74AC14
U34
74ALS09
9
10
8
U18
13
12
11
74ACT08
Q4
MMBTA05
CT2
2
3
4
5
6
7
8
9
10
1
U30
1
23
45
67
89
11
1213
14 15
1617
18 19
74HC373
LE
8D 8Q
7D 7Q
6D 6Q
5D 5Q
4D 4Q
3D 3Q
2D 2Q
1D 1Q
OE
U23
1
23
45
67
89
11
1213
14 15
1617
18 19
74HC373
LE
8D 8Q
7D 7Q
6D 6Q
5D 5Q
4D 4Q
3D 3Q
2D 2Q
1D 1Q
OE
U24
1918
17 16
1514
13 12
11
98
76
54
32
1
74HC373
LE
8D 8Q
7D 7Q
6D 6Q
5D 5Q
4D 4Q
3D 3Q
2D 2Q
1D 1Q
OE
U38
2
3
4
6
79
10
11
12
13
14
15
17
18
19
49FCT805
OEB
INB
INA
OEA
OA1
OA2
OA3
OA4
OA5
OB1
OB2
OB3
OB4
OB5
MON
U17
15
14
13 12
11
10
9
7
6
5
4
3
2
1
74ACT157
G
A/B
1A
1B
2A
1Y2B
2Y3A
3Y3B
4Y4A
4B
U16
65
74AC14
U20
74ACT157
1
2
3
4
5
6
7
9
10
11
1213
14
15
G
A/B
1A
1B
2A
1Y2B
2Y3A
3Y3B
4Y4A
4B
U34
74ALS09
4
5
6
U34
74ALS09
2
1
3
U18
8
9
10
74ACT08
U28
74HC373
1
23
45
67
89
11
1213
14 15
1617
18 19
LE
8D 8Q
7D 7Q
6D 6Q
5D 5Q
4D 4Q
3D 3Q
2D 2Q
1D 1Q
OE
U29
74HC373
1918
17 16
1514
13 12
11
98
76
54
32
1
LE
8D 8Q
7D 7Q
6D 6Q
5D 5Q
4D 4Q
3D 3Q
2D 2Q
1D 1Q
OE
U13
3
4
6
5
7
21
39
19
42
38
11
9
8
20
40
30
15
17
16
24
22
13
14
18
12
26
43
44
25
27
28
29
37
34
35
33
36
XC9536
TMS
TDO
TDI
TCK
I/O22/GTS2
I/O23/GSR
I/O7/GCK3
I/O5/GCK2
I/O34
I/O33
I/O32
I/O31
I/O30
I/O29
I/O28
I/O27
I/O26
I/O25
I/O24
I/O21
I/O19
I/O18
I/O17
I/O16
I/O15
I/O14
I/O13
I/O12
I/O11
I/O10
I/O9
I/O8
I/O6
I/O4
I/O3/GCK1
I/O2
I/O1
I/O20/GTS1
U12
36
33
35
34
37
29
28
27
25
44
43
26
12
18
14
13
22
24
16
17
15
30
40
20
8
9
11
38
42
19
39
12
7
5
6
4
3
XC9536
TMS
TDO
TDI
TCK
I/O22/GTS2
I/O23/GSR
I/O7/GCK3
I/O5/GCK2
I/O34
I/O33
I/O32
I/O31
I/O30
I/O29
I/O28
I/O27
I/O26
I/O25
I/O24
I/O21
I/O19
I/O18
I/O17
I/O16
I/O15
I/O14
I/O13
I/O12
I/O11
I/O10
I/O9
I/O8
I/O6
I/O4
I/O3/GCK1
I/O2
I/O1
I/O20/GTS1
CT1
2
3
4
5
6
7
8
9
10
1
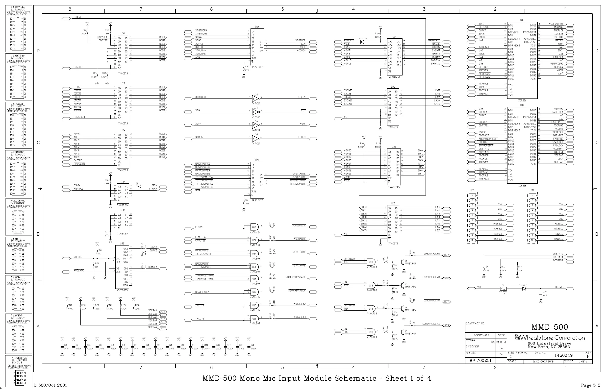
MMD-500 Mono Mic Input Module Schematic - Sheet 1 of 4
Page 5-5
MMD-500
W# 700251
SA
SA
SA
14S0049
1 OF 4
D-500/Oct 2001
10-15-01
F
MMD-500F PCB
A
B
C
D D
C
B
1345678
876543
2
12
A
ISSUED
CHECKED
DRAWN
APPROVALS DATE
CONTRACT NO.
SCALE
FSCM NO. DWG. NO.
SHEET
SIZE REV
D
U37
18
16
14
128
6
4
2
1
74ABT244
G
A1 Y1
A2 Y2
A3 Y3
A4 Y4
U37
317
515
713
911
19
74ABT244
G
A1 Y1
A2 Y2
A3 Y3
A4 Y4
U35
74ABT245
19
18
17
16
15
14
13
12
119
8
7
6
5
4
3
2
1
G
B1A1
B2A2
B3A3
B4A4
B5A5
B6A6
B7A7
B8A8
DIR
U36
74ABT244
19
18
17
16
15
14
13
12
11 9
8
7
6
5
4
3
2
1
2G
1G
1Y11A1
1Y21A2
1Y31A3
1Y41A4
2Y12A1
2Y22A2
2Y32A3
2Y42A4
600 Industrial Drive
New Bern, NC 28562
D13SS14
0.1uF
C107
GND
.17A
POLYSW
F1
4148D14
R180
10.0K
VCC
DBTYPE1
DBTYPE0
PGMON
AUDON
AUXON
UTLON
CUEON
ON
AD[7]
AD[6]
AD[5]
AD[4]
AD[3]
AD[2]
AD[1]
AD[0]
XON
XOFF
XONA
XONB
XOFFA
XOFFB
XCOUGHA
XCOUGHB
AON
BD[0:7]
UTLPF
XDONAIRTALLY
XDCUELOGIC
CUEON
ONAIRTALLY
CRMUTEA
CRMUTEB
ONST1MUTE
TBTOST1MUTE
ONST2MUTE
TBTOST2MUTE
TIMERRESTARTA
TIMERRESTARTB
XDTIMERRESTART
XDST2MUTE
XDST1MUTE
XDCRMUTE
REGPRE
REGSTAT1
FADERG
REGFADER
DBSCLK
CLKXB
FADERINTRDBSCLK
TOEPLD0DBTYPE1
FADERG
BXDRESETBSIGX
DBTYPE0DBSDATA
FADERRDMDLPWRUPRESET
SWRESETFRMXA
FADLOCK
BOARDRESET
FADERWRDBSTAT0
DBSTAT1
DBERROR
MCLKOE
FADERCLK
XDCSA4
XDCSA5
XDCSA6
XDCSA7
XDCSA8
XDCSA9
FRMXA
SIGX
XDFRMX
BSIGX
XDRESET BXDRESET
XDDS
XDAS
BXDDS
BXDAS
BXDA11
BXDA10
XDA11
BXDA9
XDA10
BXDA8
XDA9
BXDWR
XDA8
XDWR
BXDA11
BXDA10
BXDA9
BXDA8
BXDWR
LA8
LA9
LA10
LA11
LWR
AG
XDAD7
XDAD6
XDAD5
XDAD4
XDAD3
XDAD2
XDAD1
XDAD0
AG
LA0
LA1
LA2
LA3
LA4
LA5
LA6
LA7
XDDIR
XDOE
TDO95_2
TCK95_2
TDI95_2
TMS95_2
TCK95_2
TDI95_2
TMS95_2
TDO95_2
GND
VCC
GND
VCC
DBLR
TCK95_1
TDI95_1
TMS95_1
TDO95_1
GND
VCC
GND
VCC
XDTALLY2
TALLY2
XDTALLY3
TALLY3
XDDIR
BD[1]
XDCSA4
LA8
BXDDS
BXDASLA2
LA7
TOEPLD0
LA1
LA0
TOEPLD1
BD[3]
REGPRE
REGFADER2
REGSTAT1
XDCSA8XDCSA9
XDCSA7
REGFADER
LWR
TDO95_1
TCK95_1
TDI95_1
TMS95_1
CLKXA
SWRESET
XDOE
LA4
AG
LA6
XDCSA5
REGSTAT2
ACCESFORME
MBOARD
XDCSA6
BD[0]
LA3
BD[2]
FADLOCK
LA5
LA9
MBOARD
TOEPLD1
COUGH
XDCLKX
CLKXA
XMCLKOE
CLKXB
DBMCLK
XTBTOCRA
XTBTOCRB
XTBTOCR
XCOUGH
XTBTOCR
XON
XON
XOFF
XOFF
XCOUGH
LDBOFFTALLYA
LDBONTALLYA
LDBOFFTALLYB
LDBONTALLYB
OFFCOUGH
OFFCOUGH
AON
ON
AON
BON
ON
BON
AON
ONST1MUTE
ONST2MUTE
TBTOST1MUTE
TBTOST2MUTE
ONST1MUTEA
ONST2MUTEA
ONST1MUTEB
ONST2MUTEB
TBTOST1MUTEA
TBTOST2MUTEA
TBTOST1MUTEB
TBTOST2MUTEB
DBERROR
DBSTAT1
DBSTAT0
CUEON
COUGH
DB_VCCVCC

Table of Contents