EasyManua.ls Logo

Audison LRX6SR - CLK2 - Lrx Cooling Kit

Audison LRX6SR
20 pages
Print Icon
To Next Page IconTo Next Page
To Next Page IconTo Next Page
To Previous Page IconTo Previous Page
To Previous Page IconTo Previous Page
Loading...
ACCESSORIES
34
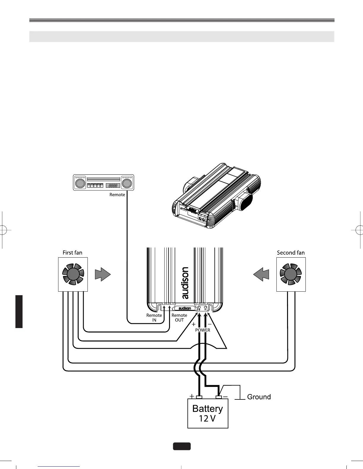
This cooling system is specially designed to provide LRx amplifiers with the right working temperature.
CLK2 should be used when LRx amplifiers work in extremely hard conditions (very low loads) or in
installations where space is too narrow and heat sink cooling is not enough. It consists of two units to
apply onto the amplifier sides; each of them is provided with an electronically controlled fan. Its
intervention depends on a thermal sensor that starts the system as soon as LRx heat sink reaches 45°C.
The same sensor is connected to a special circuit which controls the two fans speed progressive
increase when temperature increases, too.
Air flux constant control allows the amplifier very good thermal stabilization and limits noise.
CLK2 – LRx Cooling Kit
Man. LRx 6.SR in 4 Lingue 10-02-2004 16:56 Pagina 34

Related product manuals