EasyManua.ls Logo

Audison LRX6SR - Configurations; Block Diagram

Audison LRX6SR
20 pages
Print Icon
To Next Page IconTo Next Page
To Next Page IconTo Next Page
To Previous Page IconTo Previous Page
To Previous Page IconTo Previous Page
Loading...
35
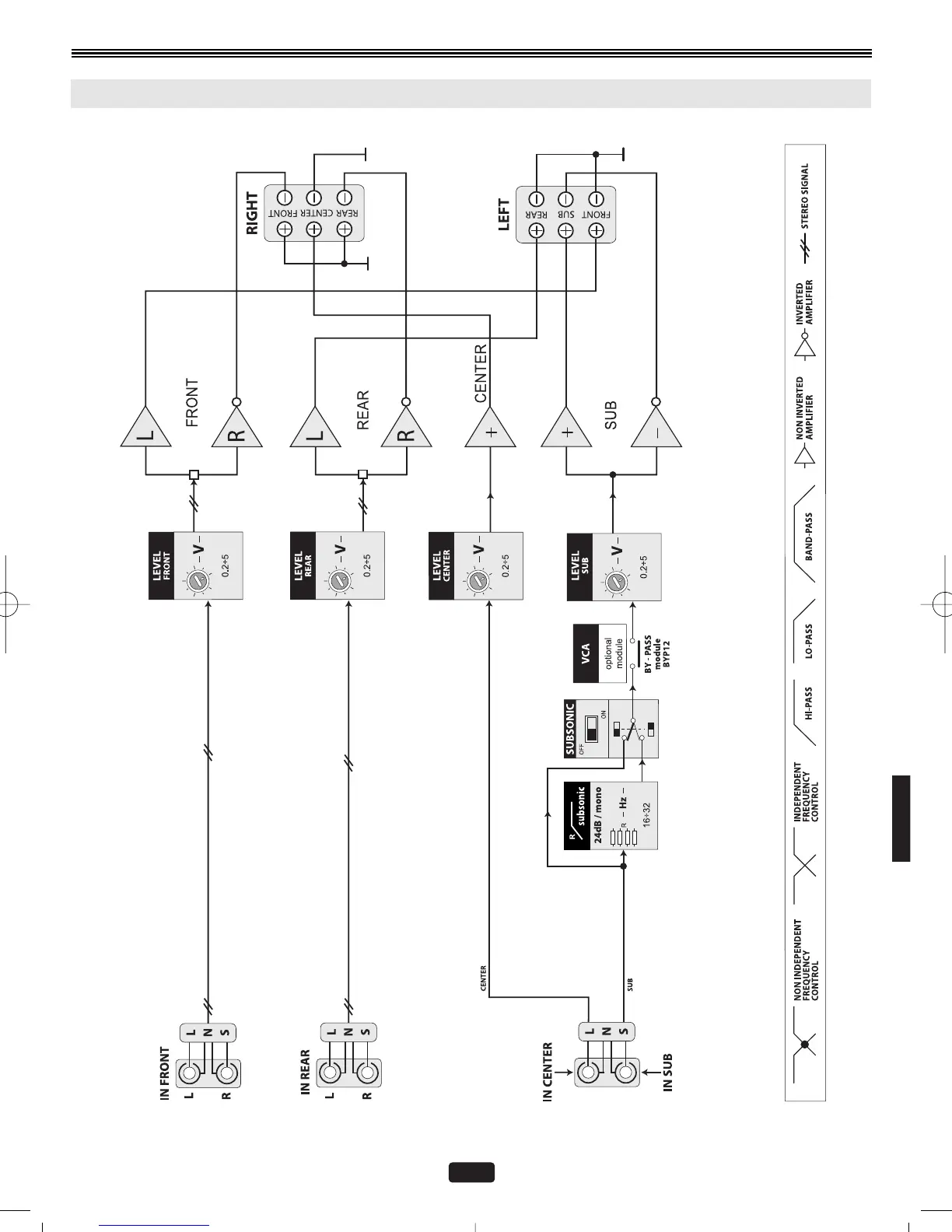
CONFIGURATIONS
BLOCK DIAGRAM
Man. LRx 6.SR in 4 Lingue 10-02-2004 16:56 Pagina 35

Related product manuals