EasyManua.ls Logo

AUMA SA 6 - Dimension Sheet, Norm

AUMA SA 6
44 pages
Print Icon
To Next Page IconTo Next Page
To Next Page IconTo Next Page
To Previous Page IconTo Previous Page
To Previous Page IconTo Previous Page
Loading...
SA3-SA100
SAR6-SAR100
N
orm actuator
We reserve the right to alter data, dimensions and weights according to improvement made.
Figures and diagrams are not binding.
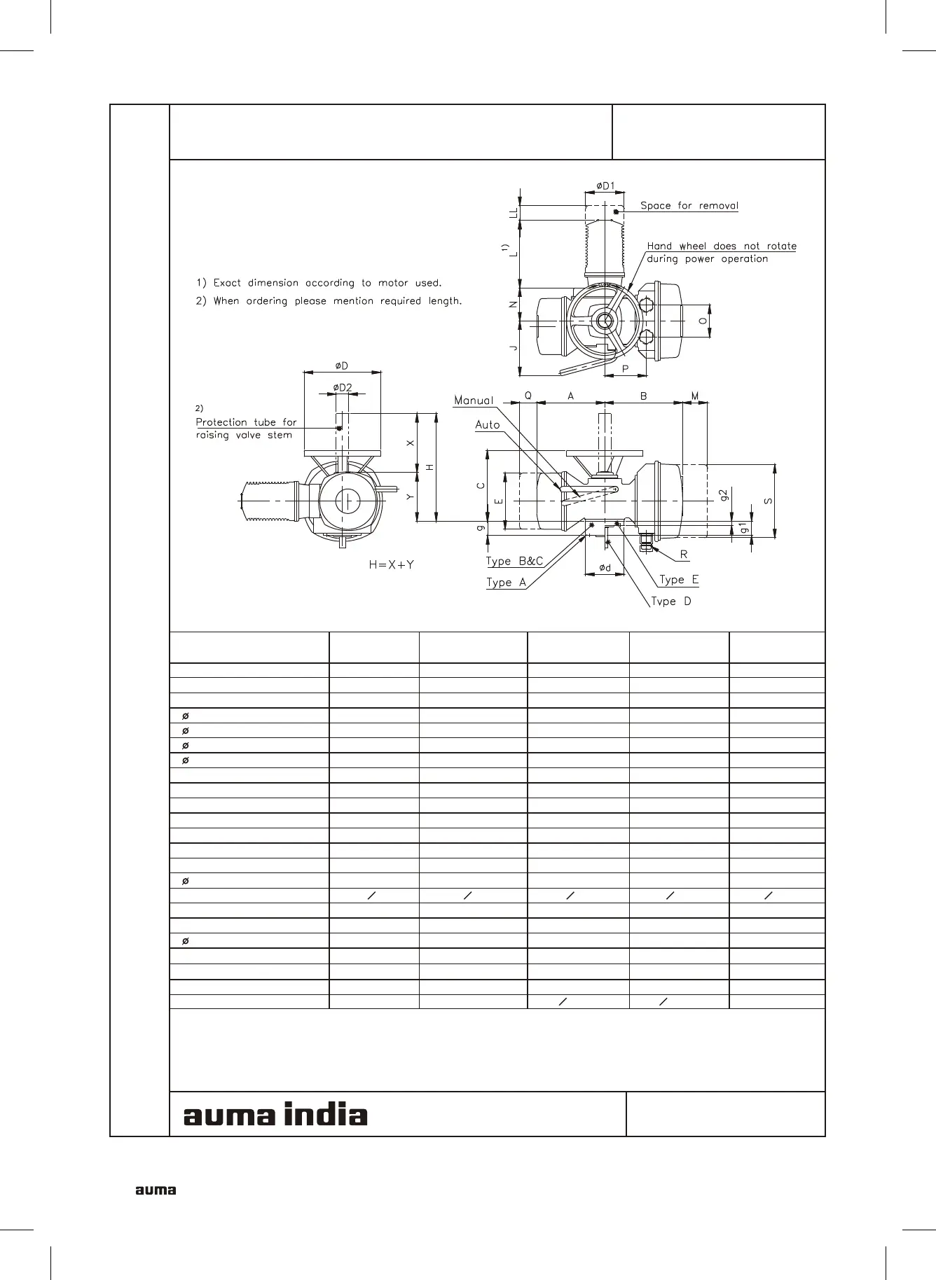
(all dimensions are in mm)
A
B
C
D
D1
D2
E
J
L max.
LL min.
M min.
N
O
P
Q min
R (Conduit th)
S
Y
d
g (TYPE - A)
g1 (TYPE - B & C)
g2 ( TYPE - D & E)
DIN 3210 Designation
Dimensions
SA3 & SA6
SAR6
SA12 & SA15
SAR12 & SAR15
SA25 & SA30
SAR25 & SAR30
SA50 & SA60
SAR50 & SAR60
SA100
SAR100
215
257
210
250
110 - 125
42 x 3.3
195
185
175-230
35
80
110
96
142
65
2x1 BSC
255
182
125
35
50
15
G0
215
257
235
250
110 - 125
60 x 3.7
195
185
175-230
35
80
110
96
142
65
2x1 BSC
255
185
125
37
50
15
G0
245
282
275
360
110 - 160
76 x 3.7
255
210
175-280
45
80
170
96
167
65
2x1 BSC
255
250
175
51
65
22
G
245
282
275
640
125 - 160
76 x 3.7
255
210
210-280
45
80
170
96
167
65
2x1 BSC
255
250
175
51
65
22
G
275
307
380
800
125 - 200
89 x 4.1
255
230
210-305
60
80
210
96
192
65
2x1 BSC
255
306
210
69
80
30
G3
36
1
2
1
2
1
4
''
1
4
''
1
4
''
1
4
''
1
4
''

Related product manuals