EasyManua.ls Logo

AUMA SA 6 - Dimension Sheet, Compact

AUMA SA 6
44 pages
Print Icon
To Next Page IconTo Next Page
To Next Page IconTo Next Page
To Previous Page IconTo Previous Page
To Previous Page IconTo Previous Page
Loading...
SA3-SA100
SAR6-SAR100
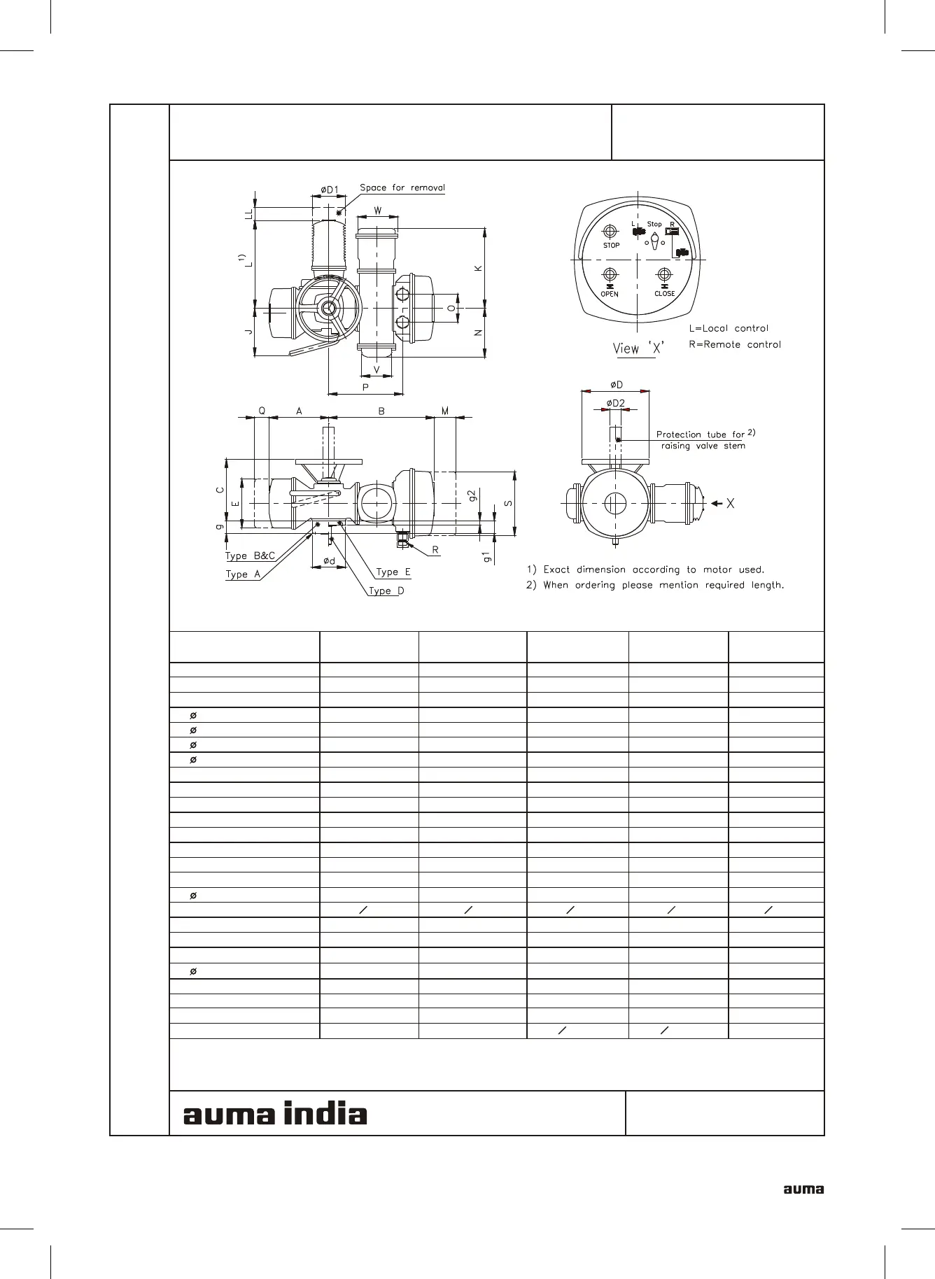
We reserve the right to alter data, dimensions and weights according to improvement made.
Figures and diagrams are not binding.
(all dimensions are in mm)
Dimensions
SA3 & SA6
SAR6
SA12 & SA15
SAR12 & SAR15
SA25 & SA30
SAR25 & SAR30
SA50 & SA60
SAR50 & SAR60
SA100
SAR100
245
451
275
360
110 - 160
76 x 3.7
255
210
342
450
45
80
227
96
340
65
2x1 BSC
255
160
185
175
51
65
22
G
A
B
C
D
D1
D2
E
J
K
L max.
LL min.
M min.
N
O
P
Q min
R (Conduit th)
S
V
W
d
g (TYPE - A)
g1 (TYPE - B & C)
g2 ( TYPE - D & E)
DIN 3210 Designation
37
215
430
210
250
110 - 125
42 x 3.3
195
185
342
340
35
80
227
96
315
65
2x1 BSC
255
160
185
125
35
50
15
G0
1
4
''
215
430
235
250
110 - 125
60 x 3.7
195
185
342
340
35
80
227
96
315
65
2x1 BSC
255
160
185
125
37
50
15
G0
1
4
''
1
4
''
275
467
380
800
125 - 200
89 x 4.1
255
230
342
515
60
80
227
96
365
65
2x1 BSC
255
160
185
210
69
80
30
G3
1
4
''
245
451
275
640
125 - 160
76 x 3.7
255
210
342
450
45
80
227
96
340
65
2x1 BSC
255
160
185
175
51
65
22
G
1
4
''
1
2
1
2
I
ntegral starter compact actuator

Related product manuals