EasyManua.ls Logo

AVE AF997 - Page 4

AVE AF997
Print Icon
To Next Page IconTo Next Page
To Next Page IconTo Next Page
To Previous Page IconTo Previous Page
To Previous Page IconTo Previous Page
Loading...
SIRENA AF - AF53900
26 25 24 23 22 21
SIRENA INTERNA
SUPPLEMENTARE
TAMPER
Contatto Magnetico
Antiasportazione cod. AF901
Nota 1: Per collegamenti relativi a distanze
superiori ai 30cm utilizzare cavo schermato
(con schermo collegato a massa lato
centrale).
Nota 2: Collegando come indicato il contatto
di uscita (NC) di un rivelatore per allarmi
tecnici, dopo aver tolto Jp1, in caso di
allarme si attiva l'uscita dedicata (morsetto
15) che attiva il combinatore (canale 1).
(Vedi pag. 5)
1
2
3
4
5
678
9
0
F
#
12345678910 11 12
ALLA PRESA TELEFONICA
ALL'APPARECCHIO TELEFONICO
ALLA LINEA TAMPER
LINE
13
b
14
a
15
16
a
17
b
TEL.
R47k
1
2
3
4
5
6
7
8
9
10
11
12
13
14
15
16
17
18
19
20
SEGNALAT.
PREALLAR.
COD.45381
1 +
2 –
3 T
2 +
1 –
COD. AF45399
AF45360
Contatti N.C. rivelatori
Esempio di collegamento di
rivelatore standard.
Questo collegamento è
possibile anche sulle zone A1,
A2, A3, C1, C2.
Schema
applicativo
N
S
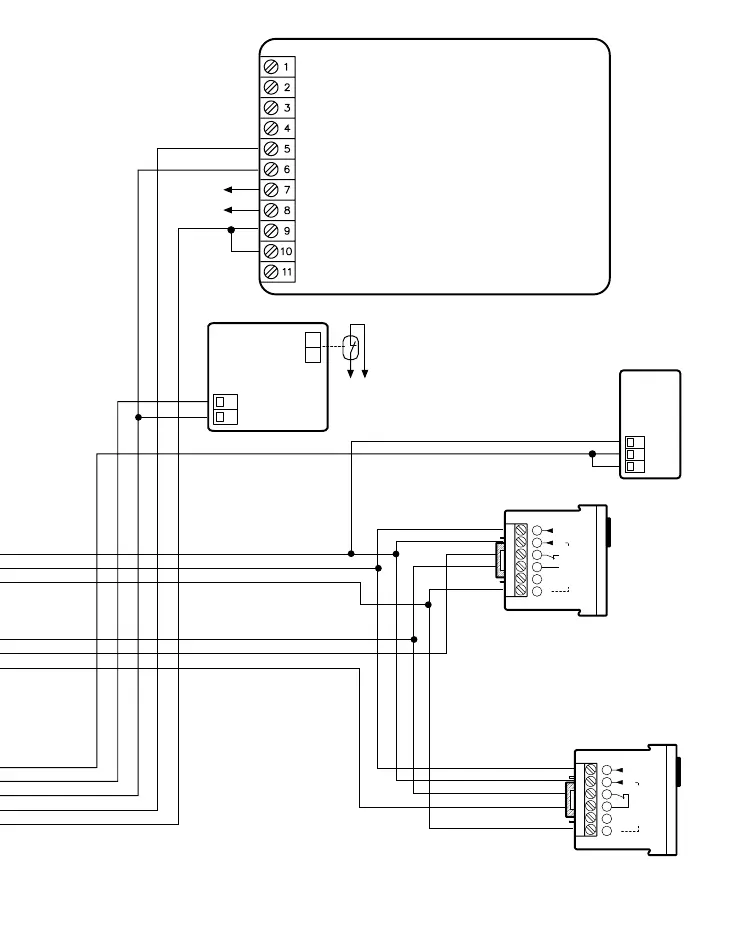
MORSETTO DI COLLEGAMENTO TROMBA ACUSTICA
MORSETTO DI COLLEGAMENTO TROMBA ACUSTICA
MORSETTO DI COLLEGAMENTO LAMPEGGIATORE A FLASH
MORSETTO DI COLLEGAMENTO LAMPEGGIATORE A FLASH
ALIMENTAZIONE +
ALIMENTAZIONE –
MICROINTERRUTTORE ANTIMANOMISSIONE (TAMPER)
MICROINTERRUTTORE ANTIMANOMISSIONE (TAMPER)
COMANDO SIRENA NC AL POSITIVO
COMANDO FLASH NC AL POSITIVO
SEGNALE DI FILAMENTO FLASH INTERROTTO (VERSO GND)
1
2
+
3 4 5
N.C.
6
TC
BLOCCO RELÈ
RELAY OUT
12V —
(10,5…14)
––
1
2
+
3 4 5
N.C.
6
TC
BLOCCO RELÈ
RELAY OUT
12V —
(10,5…14)
––
COD.
AF45342
1
2
3
AF45339
R
Contatti N.C.
rivelatori
R
Eventuale contatto N.C.
rivelatori allarmi tecnici
TAMPER
AF45360

Related product manuals