EasyManua.ls Logo

Avnet SmartEdge - 6.2. SCHEMATIC REFERENCES

Avnet SmartEdge
39 pages
Print Icon
To Next Page IconTo Next Page
To Next Page IconTo Next Page
To Previous Page IconTo Previous Page
To Previous Page IconTo Previous Page
Loading...
SmartEdge Industrial IoT Gateway
User Guide
http://www.element14.com/gateway Page 35
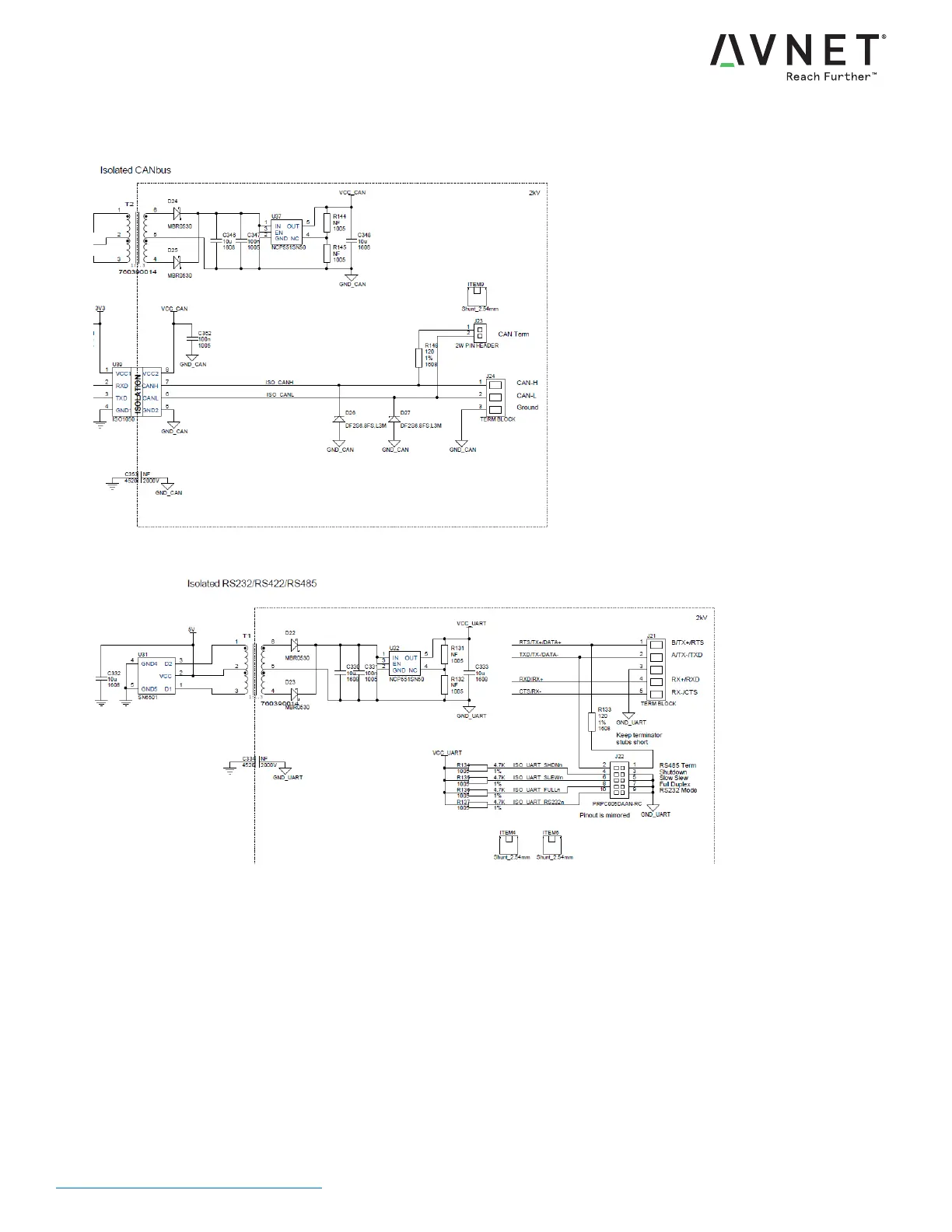
6.2. SCHEMATIC REFERENCES
CANBUS
RS232/RS485

Table of Contents

Other manuals for Avnet SmartEdge