EasyManua.ls Logo

Avnet SmartEdge - Pcie & SIM SOCKET; Digital I;O

Avnet SmartEdge
39 pages
Print Icon
To Next Page IconTo Next Page
To Next Page IconTo Next Page
To Previous Page IconTo Previous Page
To Previous Page IconTo Previous Page
Loading...
SmartEdge Industrial IoT Gateway
User Guide
http://www.element14.com/gateway Page 36
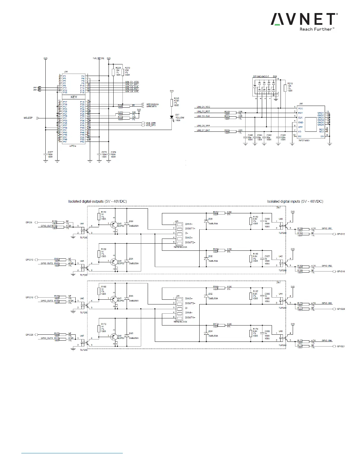
PCIe & SIM SOCKET
DIGITAL I/O

Table of Contents

Other manuals for Avnet SmartEdge