EasyManua.ls Logo

Axpert VM-1000 - Charger

Axpert VM-1000
30 pages
Print Icon
To Next Page IconTo Next Page
To Next Page IconTo Next Page
To Previous Page IconTo Previous Page
To Previous Page IconTo Previous Page
Loading...
维修手册
专案名称:
AxpertVM1KW/VM2KW
专案编号:
S1701112
修订版次:
00 PAGE 11/30
V-RDP-004-73 A
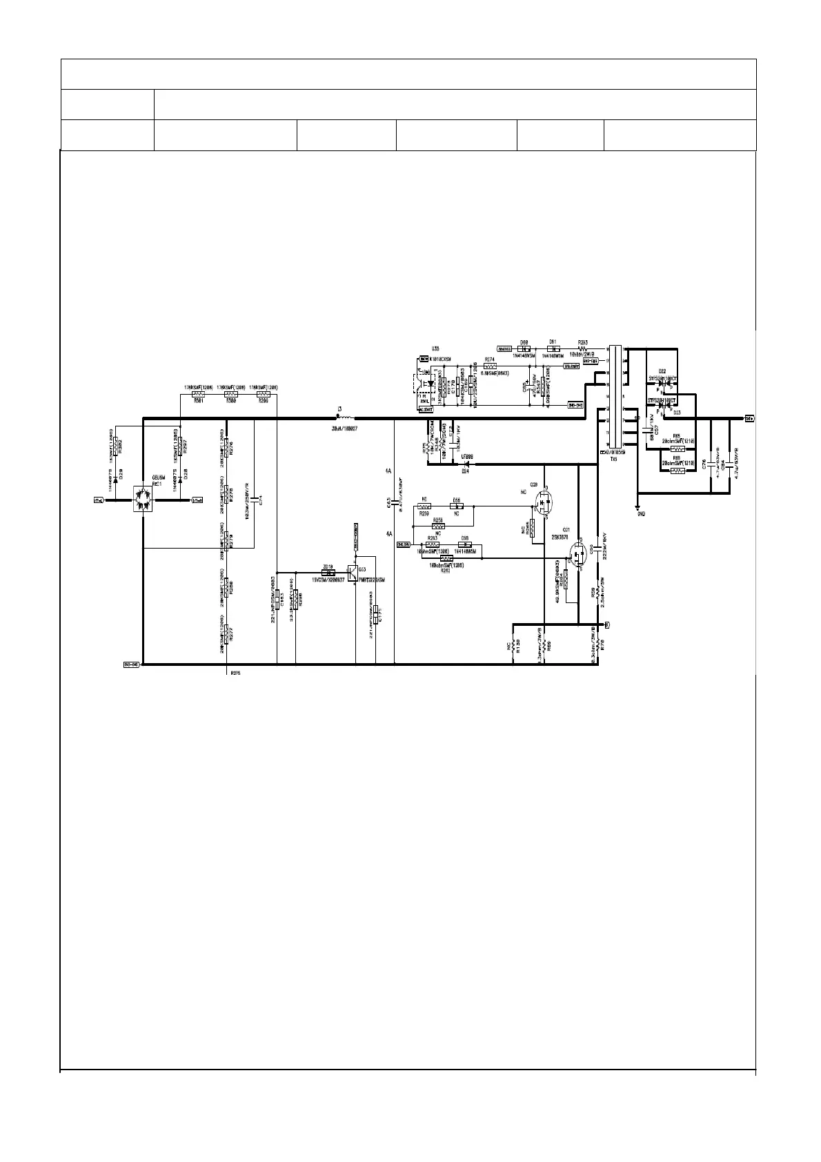
3.4 Charger
The Charger of utility is to recharge and maintain the batteries at fully charged condition .The charger
charges the batteries with a constant current at initial stage, and as battery voltage keep increasing, the
charge current decrease accordingly until the charge voltage reached the constant voltage level, and
then the charger turn to the floating charge mode.
As shown in figure 3.4, the charger also employed a fly-back topology like the SPS.
Figure 3.4 Charger fly-back topology

Related product manuals