EasyManua.ls Logo

Axpert VM-1000 - Functional Block

Axpert VM-1000
30 pages
Print Icon
To Next Page IconTo Next Page
To Next Page IconTo Next Page
To Previous Page IconTo Previous Page
To Previous Page IconTo Previous Page
Loading...
维修手册
专案名称:
AxpertVM1KW/VM2KW
专案编号:
S1701112
修订版次:
00 PAGE 7/30
V-RDP-004-73 A
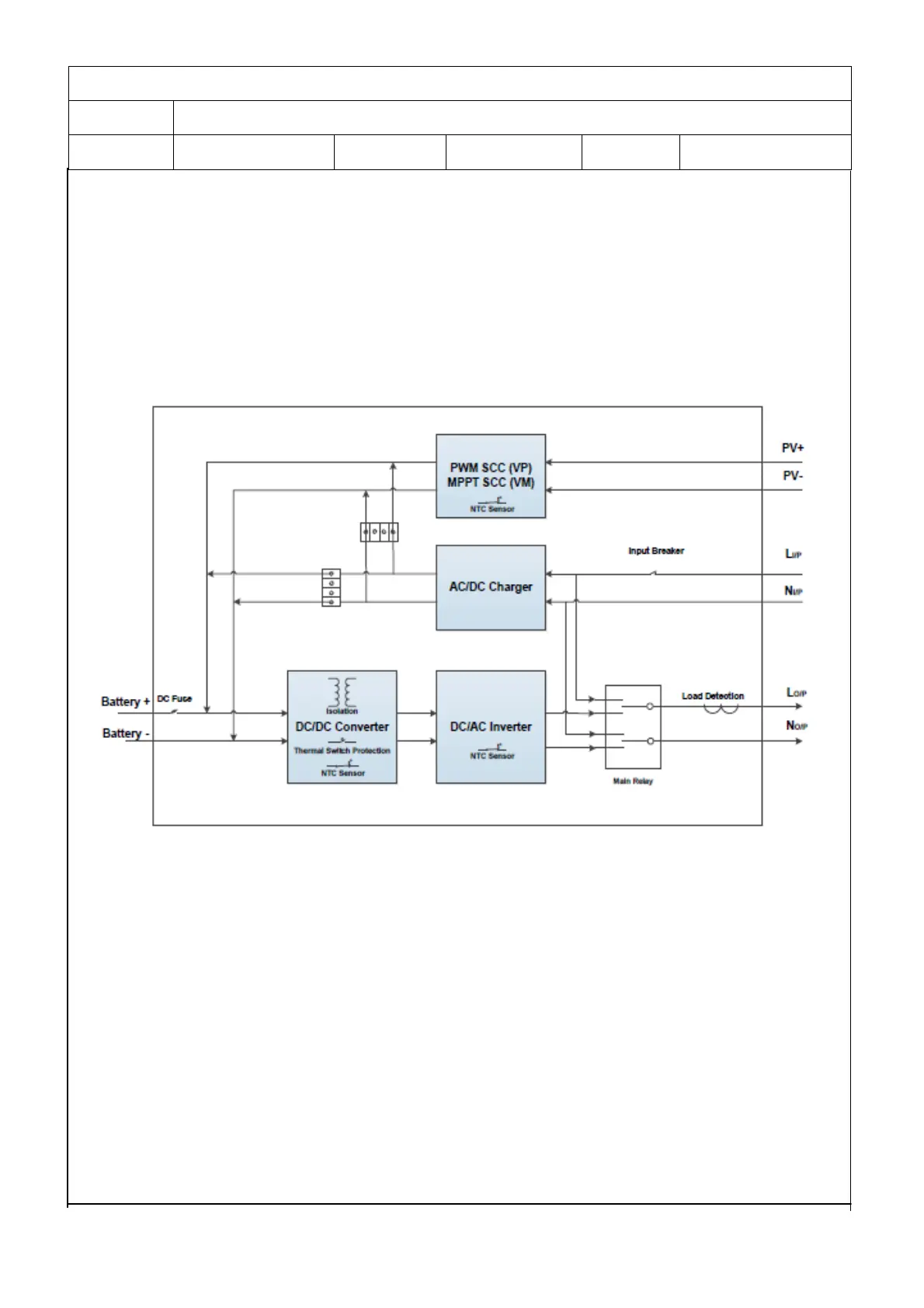
2. Functional block
Axpert VM-2000/VM-1000 series production employ a double conversion topology, comprise following
functional blocks, as shown in figure 2.1
Figure 2.1 function block diagram

Related product manuals