EasyManua.ls Logo

Axpert VM-1000 - Working Principle of Major Functional Blocks; Switch Power Supply

Axpert VM-1000
30 pages
Print Icon
To Next Page IconTo Next Page
To Next Page IconTo Next Page
To Previous Page IconTo Previous Page
To Previous Page IconTo Previous Page
Loading...
维修手册
专案名称:
AxpertVM1KW/VM2KW
专案编号:
S1701112
修订版次:
00 PAGE 8/30
V-RDP-004-73 A
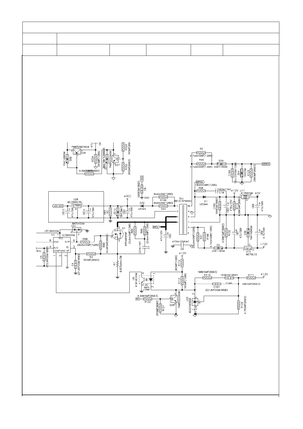
3. Working principle of the major functional block
3.1 Switch Power Supply
The switch power supply (SPS) supplies DC power for Inverter/Charger operation. The input voltage of
the SPS is the battery or AC Charger output voltage.
Figure 3.1 basic circuit of power supply
This is the fly-back DC-DC converter, fly-back operation can be easily recognized from the position of the
dots on the transformer primary and secondary(these dots show starts of the winds). When Q1 is ON, the
dot ends of all winds are negative with respect to their no-dot ends. Output rectifier diodes D1, D2, D34
and D38 are reverse-biased and all the output load currents are supplied from storage filter capacitors
CE6, CE7,CE8 and CE9.The primary coil of the transformer acts as an inductor and stored energy.
When Q1 is OFF, the stored energy in the primary coil is delivered to secondary filter capacitors CE6,
CE7,CE8 and CE9.
As shown in figure 3.1, this circuit may generate several output voltage, such as +12V,-12V, +VCC, +5V,
HFPW+, GTDRV3.

Related product manuals