EasyManua.ls Logo

Bandit 2550 - Frame Components

Bandit 2550
98 pages
Print Icon
To Next Page IconTo Next Page
To Next Page IconTo Next Page
To Previous Page IconTo Previous Page
To Previous Page IconTo Previous Page
Loading...
Bandit
72
Copyright 4/21
MODELS 2550/2550T
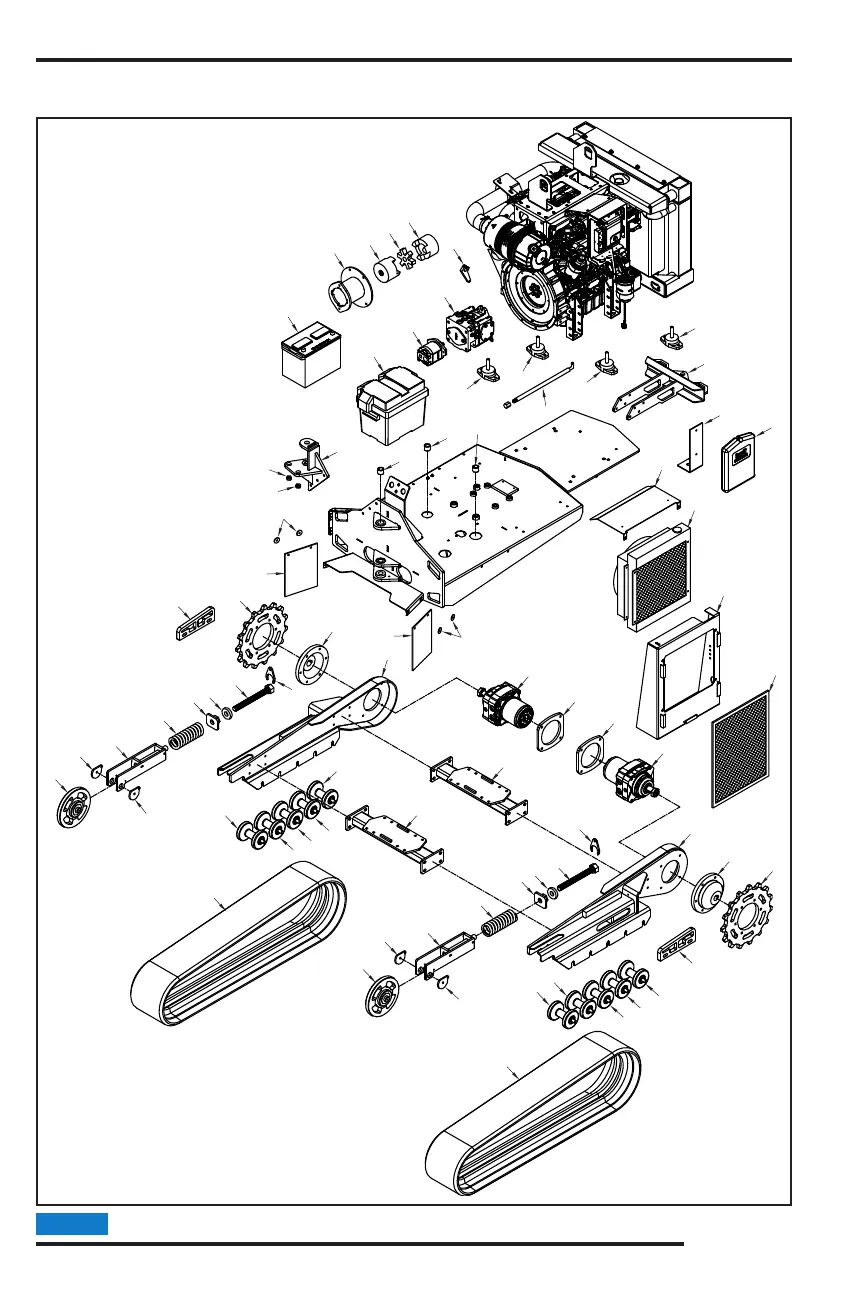
Parts may not be exactly as shown.NOTICE
FRAME COMPONENTS
MODEL 2550T
36
35
34
33
32
31
37
39
39
39
40
39
30
28
24
25
26
27
16
13
14
15
2
2
2
2
2
2
2
5
3
2
2
1
11
10
9
8
7
6
5
4
1
4
5
6
7
8
9
10
3
15
20
19
19
20
23
23
23
22
21
21
14
12
11
5
2
17
17
16
18
18
29
38
41

Related product manuals