EasyManua.ls Logo

B&PLUS RCS600 - Connection Diagram

B&PLUS RCS600
32 pages
Print Icon
To Next Page IconTo Next Page
To Next Page IconTo Next Page
To Previous Page IconTo Previous Page
To Previous Page IconTo Previous Page
Loading...
- 18 -
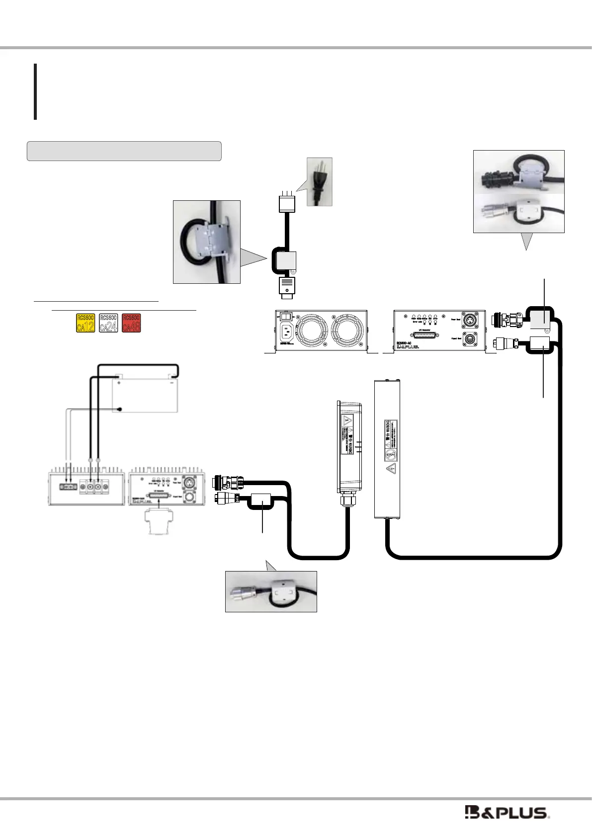
Wireless charging system 600W specication
For 12V24V48V battery
BATT
12V
+ -
BATT
12V
+ -
AC 90~220V
受電ヘッド
RCS600-CH
給電ヘッド
RCS600-AH
電源ユニット
RCS600-AC
■充電ユニット
・RCS600-CA24(24V仕様)
・RCS600-CA12(12V仕様)
・RCS600-CA48(48V仕様)
サーミスタ
※バッテリは各仕様による
24V仕様・・・12V x 2(直列)
12V仕様・・・12V x 1
48V仕様・・・12V x 4(直列)
E04SR401938
(フェライトコア)
2T/100mm以内
RFC-H13
(フェライトコア)
2T/100mm以内
RFC-H13
(フェライトコア)
2T/100mm以内
E04SR401938
(フェライトコア)
2T/100mm以内
フェライトコア付き
電源ケーブル
Dsub25P起動信号ON用
コネクタ
RCS600-OP001
- 3 -
1 全体構成図(準仕様)
2 全体構成図(長距離仕様)
Ferrite clamp
Within 2T/100mm
※3
Common to standard specication heads and long distance specication heads
· Turn on the power after completing the wiring.
· Battery and charging cable are not included in this product. Please prepare and process by customer.
· Make sure that the ends of the charging cable do not touch each other.
· Please be sure to attach the thermistor to the attached parts. It is recommended to paste on the upper part of
battery. Please do not touch it the terminal
· Connect each cable with the specied length. There is a possibility that an error may occur due to output reduction
or the like.
・The "turn", which counts the number of turns of the ferrite clamp of each cable, indicates the number of times that
the cable passes through the inside of the ferrite clamp.
For example, if it is wrapped around the ferrite clamp once, it will take 2 turns, and if it passes through the cable
without wrapping it once, it will take 1 turn.
Standard Specication Head
2T=2 ターン
2 Charging cable is not included.
A cable of 5.5 sq or more is recommended.
Dsub25P 起動信号 ON
コネクタ
型式:RCS600-OP001
※2
※1
RCS600
CA
12
RCS600
CA
24
RCS600
CA
48
2T
2T
Charging unit
RCS600(B)-CA12(12V)
RCS600(B)-CA24(24V)
RCS600(B)-CA48(48V)
Battery depends on each specication
12V type…12V × 1  24V type…12V × 2
(series)
48V type…12V × 4
(series)
2 turn
2 turns
2 turn
2 turn
Power cable with ferrite clamp
(Cable lenth 180cm - Included clamp)
Ferrite clamp
Within 2T/300mm ※ 3
AYCS-212 BK
Ferrite clamp
Ferrite clamp
Within 2T/100mm
※3
Within 2T/100mm
Connector for
power supply
Connector for
communication
RFC-H13
E04SR401938
Power Supply unit
RCS600-AC
Active Head
RCS600-AH
Passive Head
RCS600-CH
2T=2 turns
connector for
communication
connector for
power supply
Lead battery
or
Lithium Ion Battery
Thermistor
Type code:
RCS-THERM1.5
Battery
Dsub25P-Connector for
start signal ON
RCS-DSUB
1 This is a D-sub connector in which PIN1 and PIN14 are
shorted circuit internally. When this connector is attached to
the charging unit, charging starts automatically when the head
is facing. (Required only for normal open type. Not required for
normal close type)
3 Be sure to refer to “Installing the Ferrite clamp” on the
next page.
90 220V AC
(If you want to use it at AC200V,
you need to process the tip)
7.Connection diagram