EasyManua.ls Logo

Baoli CPD30J - Maintenance and Adjustment of Lifting System

Default Icon
124 pages
Print Icon
To Next Page IconTo Next Page
To Next Page IconTo Next Page
To Previous Page IconTo Previous Page
To Previous Page IconTo Previous Page
Loading...
112
8.2 Maintenance and adjustment of lifting system
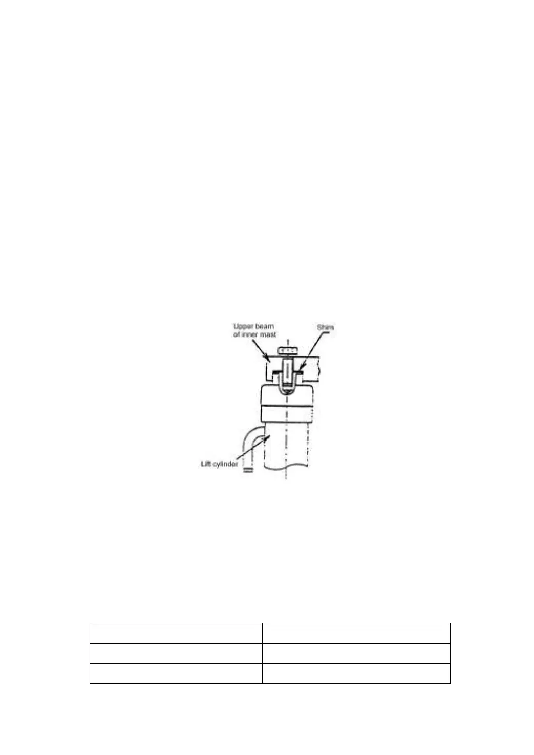
8.2.1 Adjust lift cylinder (Fig. 8-5)
Readjust the stroke of the lift cylinder when replacing the lift cylinder, the inner mast
or the outer mast as following:
(1) Place piston rod heads without shims into the upper beam of the inner mast.
(2) Ensure that two lift cylinders are lifted at the same time when the mast ascended
at its height.
(3) If they not lifted synchronously, add shims between the upper beam of the inner
mast and the piston rod head which reaches to its height firstly. The shims’ thickness is
0.2mm or 0.5mm.
(4) Adjust the tightness of lift chains.
NOTICE: Please pay more regard to safety when adjusting the lift cylinder at an
elevated height.
Fig. 8-5 Adjust lift cylinder
8.2.2 Adjust the height of lift bracket
(1) The truck should be stopped on horizontal ground. And ensure the mast vertical.
(2) Lower the forks on the ground, adjust the set nut on the upper of chains to assure
the distance A between main rollers and the lift bracket. (Fig. 8-6)
Type of forklift
A(mm)
1-1.5t
3641
2-3t
2429

Table of Contents

Related product manuals