EasyManua.ls Logo

Baoli CPD30J - Page 58

Default Icon
124 pages
Print Icon
To Next Page IconTo Next Page
To Next Page IconTo Next Page
To Previous Page IconTo Previous Page
To Previous Page IconTo Previous Page
Loading...
53
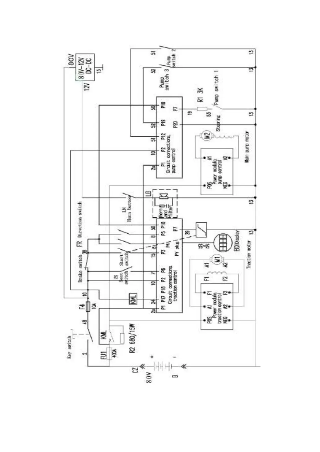
Fig.4-3 Principle of electric system (DC CPD30)

Table of Contents

Related product manuals